index
logo

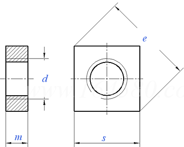
方形机用螺母 SAE J 104 - 1969

选择规格尺寸 点击↓

0#

1#

2#

3#

4#

5#

6#

8#

10#

12#

1/4

5/16

3/8


尺寸单位: inch
美标SAE J104 - 1969 SAE104 104SAE 方形机用螺母
SAE J 104 - 1969 方形机用螺母
扫一扫分享
螺纹规格
0# 1# 2# 3# 4# 5# 6# 8# 10# 12# 1/4 5/16 3/8
螺纹规格
s 公称
最大值
最小值
e 最大值
最小值
m 公称
最大值
最小值
0.0600 0.0730 0.0860 0.0990 0.1120 0.1250 0.1380 0.1640 0.1900 0.2160 0.2500 0.3125 0.3750
5/32 5/32 3/16 3/16 1/4 5/16 5/16 11/32 3/8 7/16 7/16 9/16 5/8
0.156 0.156 0.187 0.187 0.250 0.312 0.312 0.344 0.375 0.437 0.437 0.562 0.625
0.150 0.150 0.180 0.180 0.241 0.302 0.302 0.332 0.362 0.423 0.423 0.545 0.607
0.221 0.221 0.265 0.265 0.354 0.442 0.442 0.486 0.530 0.619 0.619 0.795 0.884
0.206 0.206 0.247 0.247 0.331 0.415 0.415 0.456 0.497 0.581 0.581 0.748 0.833
3/64 3/64 1/16 1/16 3/32 7/64 7/64 1/8 1/8 5/32 3/16 7/32 1/4
0.050 0.050 0.066 0.066 0.098 0.114 0.114 0.130 0.130 0.161 0.193 0.225 0.257
0.043 0.043 0.057 0.057 0.087 0.102 0.102 0.117 0.117 0.148 0.178 0.208 0.239
注:技术数据仅供参考,请以官方原件为准!
类似标准及供货信息
1 方螺母  产品等级:C级 [国标]
GB 39 - 1988
方螺母 产品等级:C级
Square Nuts - Product Grade C
供应商(1)
2 机床夹具零部件 — 菱形螺母 [国标]
GB /T 2153 - 1991
机床夹具零部件 — 菱形螺母
Rhombic Nut
3 方螺母 C级 [德标]
DIN 557 - 2026
方螺母 C级
Square Nuts - Product Grade C
供应商(3)
4 四方薄螺母,B级 [德标]
DIN 562 - 2013
四方薄螺母,B级
Square Thin Nuts, Product Grade B
供应商(3)
5 方螺母 C级 [德标]
DIN 557 - 1994
方螺母 C级
Square Nuts-Product Grade C
供应商(3)
6 四方薄螺母 [德标]
DIN 562 - 1987
四方薄螺母
Square Thin Nuts, Product Grade B
供应商(3)
7 方螺母  C级 [德标]
DIN 557 - 1985
方螺母 C级
Square Nuts-Product Grade C
供应商(3)
8 与地脚螺栓配套用地脚螺母 [德标]
DIN 798 - 2009
与地脚螺栓配套用地脚螺母
Special Foundation Nuts
9 与地脚螺栓配套用地脚螺母 [德标]
DIN 798 - 1972
与地脚螺栓配套用地脚螺母
Special Foundation Nuts for Special Foundation Bolts According to DIN 797
10 单倒角方螺母 [日标]
JIS B 1163 - 2009
单倒角方螺母
Square Nuts with Single Chamfer
11 单倒角方螺母 [日标]
JIS B 1163 - 2001
单倒角方螺母
Square Nuts with Single Chamfer
12 四方螺母 [日标]
JIS B 1163 - 1995
四方螺母
Square Nuts
13 方螺母 [汽标代号]
Q 310B
方螺母
Square Nuts
14 冲压螺母 [汽标代号]
Q 373
冲压螺母

15 菱形螺母 [机械行业]
JB /T 8004.6 - 1999
菱形螺母
Rhombic Nut
16 方螺母  [Table 2] [美标]
ASME/ANSI B 18.2.2 (T2) - 2010
方螺母 [Table 2]
Square Nuts [Table 2]
供应商(2)
17 方形机用螺母 [1-1] [美标]
ASME/ANSI B 18.2.2 (T1-1 Square) - 2010
方形机用螺母 [1-1]
Square Machine Screw Nuts
18 重型方螺母  [Table 8] [美标]
ASME/ANSI B 18.2.2 (T8) - 2010
重型方螺母 [Table 8]
Heavy Square Nuts [Table 8]
19 重型四方螺母Table7 [美标]
ASME/ANSI B 18.2.2 (T7) - 1987 (R1999)
重型四方螺母Table7
Square nuts -heavy duty
20 方螺母 [意大利]
UNI 6419 - 1969
方螺母
Square Nuts for Manufacture of Railway and Tramway Rolling Stock - ISO Metric Coarse Thread - Finish C
21 方螺母,ISO公制粗牙螺纹,C级 [意大利]
UNI 5597 - 1965
方螺母,ISO公制粗牙螺纹,C级
Square Nuts. ISO Metric Coarse Thread. Finish c. Dadi Quadri Normali. Filettatura Metrica ISO a Passo Grosso. Categoria C.
22 方螺母 A级 B级 [法国]
NF E 25-403 - 1983
方螺母 A级 B级
Square Nuts - Product Grades A and B
23 方螺母 C级 [法国]
NF E 25-404 - 1983
方螺母 C级
Square Nuts - Product Grade C
24 大方形螺帽 [法国]
NF E 27-412 - 1973
大方形螺帽
Large Square Nuts
25 无倒角四方薄螺母 table20 [英标]
BS 1981 - 1991
无倒角四方薄螺母 table20
Square Screw Nuts
26 方形螺母 [英标]
BS 4183 (T8) - 1967
方形螺母
Machine Screw Square Nuts, Pressed Type
27 英制四方螺母- 粗制 [Table 3] [英标]
BS 916 - 1953
英制四方螺母- 粗制 [Table 3]
Square Nuts with B.S.Threads - Black [Table 3]
28 英制四方螺母 - 粗制 - 单面或双面车削 [Table 3] [英标]
BS 916 - 1953
英制四方螺母 - 粗制 - 单面或双面车削 [Table 3]
Square Nuts with B.S.Threads - Faced One Side or Both Side - Black [Table 3]
29 粗制四方螺母Table7 [英标]
BS 325 - 1947
粗制四方螺母Table7
Black Square Nuts
30 C级方螺母 [台湾]
CNS 4067 - 1983
C级方螺母
Square Nuts - Grade C
31 四方薄螺母 [台湾]
CNS 4377 - 1983
四方薄螺母
Square Thin Nuts
32 专用地脚螺钉用地脚螺母 [台湾]
CNS 4378 - 1983
专用地脚螺钉用地脚螺母
Special Anchor Nuts for Special Anchor Bolts
33 塑翼螺母 [标准]
YJT 3030 (41)
塑翼螺母

34 锁紧螺母 [标准]
YJT 3046
锁紧螺母

35 方螺母 [美标]
SAE J 104 - 1969
方螺母
Square Nuts
36 重型方螺母 [美标]
SAE J 104 - 1969
重型方螺母
Heavy Square Nuts
37 方螺母 [Table 3] (SAE J995 / ASTM F594 / F467) [美标]
ASME B 18.2.2 (T3) - 2022
方螺母 [Table 3] (SAE J995 / ASTM F594 / F467)
Square Nuts [Table 3] (SAE J995 / ASTM F594 / F467)
供应商(2)
38 方螺母  [Table 2] (SAE J995 / ASTM F594 / F467) [美标]
ASME B 18.2.2 (T2) - 2015
方螺母 [Table 2] (SAE J995 / ASTM F594 / F467)
Square Nuts [Table 2] (SAE J995 / ASTM F594 / F467)
供应商(2)
39 方螺母 [Table1] (SAE J995 / ASTM F594 / F467) [美标]
ASME B 18.2.2 (T1-Square) - 2022
方螺母 [Table1] (SAE J995 / ASTM F594 / F467)
Square Machine Screw Nuts [Table1] (SAE J995 / ASTM F594 / F467)
40 重型方螺母 [Table 9] (SAE J995 / ASTM F594 / F467) [美标]
ASME B 18.2.2 (T9) - 2022
重型方螺母 [Table 9] (SAE J995 / ASTM F594 / F467)
Heavy Square Nuts [Table 9] (SAE J995 / ASTM F594 / F467)
41 方螺母  [Table1-1] (SAE J995 / ASTM F594 / F467) [美标]
ASME B 18.2.2 (T1-1 Square) - 2015
方螺母 [Table1-1] (SAE J995 / ASTM F594 / F467)
Square Machine Screw Nuts [Table1-1] (SAE J995 / ASTM F594 / F467)
42 重型方螺母  [Table 8] (SAE J995 / ASTM F594 / F467) [美标]
ASME B 18.2.2 (T8) - 2015
重型方螺母 [Table 8] (SAE J995 / ASTM F594 / F467)
Heavy Square Nuts [Table 8] (SAE J995 / ASTM F594 / F467)
43 轨道螺栓用方螺母 [Table 3] (A563) [美标]
ASME B 18.10 - 2006 (R2016)
轨道螺栓用方螺母 [Table 3] (A563)
Track Bolt Nuts (Square nuts) [Table 3] (A563)
标准编号: SAE J 104 - 1969
中文名称: 方形机用螺母
英文名称: Square Machine Screw Nuts
数据来源: 易紧通 (164580.com)
Standard Code: SAE J 104 - 1969Chinese Name: 方形机用螺母English Name: Square Machine Screw NutsSource: https://www.164580.com/info_399415.html
Data Source: YJT Fastener Database (164580.com)
Standard: SAE J 104 - 1969
URL: https://www.164580.com/info_399415.html
License: Commercial use requires authorization
© 易紧通 服务热线:4006-164580(免长途费)