index
logo

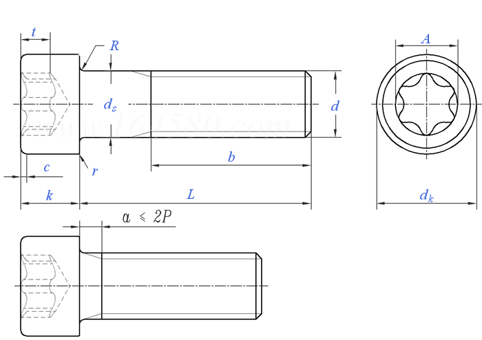
内六角花形(梅花槽)圆柱头螺钉 ASME/ANSI B 18.3 (Table 1-III) - 2012

选择规格尺寸 点击↓

2#

3#

4#

5#

6#

8#

10#

12#

1/4

5/16

3/8

7/16

1/2

9/16

5/8

3/4

7/8

1

ASME/ANSI B 18.3 (Table 1-III) - 2012 内六角花形(梅花槽)圆柱头螺钉

尺寸单位: inch
美标ASME/ANSI B18.3 (Table 1-III) - 2012 A 内六角花形(梅花槽)圆柱头螺钉
ASME/ANSI B 18.3 (Table 1-III) - 2012 内六角花形(梅花槽)圆柱头螺钉
扫一扫分享
规格
2# 3# 4# 5# 6# 8# 10# 12# 1/4
d 螺纹直径
PP 粗牙UNC
细牙UNF
超细牙UNEF
ds 最大值=公称
最小值
dk 最大值
最小值
k 最大值
最小值
A 参考值
t 最小值
b 最小值
c 圆角或倒角 最大值
r 圆角或倒角 最大值
R 最小值
槽号
0.086 0.099 0.112 0.125 0.138 0.164 0.19 0.216 0.25
56 48 40 40 32 32 24 24 20
64 56 48 44 40 36 32 28 28
- - - - - - - 32 32
0.086 0.099 0.112 0.125 0.138 0.164 0.19 0.216 0.25
0.0822 0.0949 0.1075 0.1202 0.1329 0.1585 0.184 0.2095 0.2435
0.14 0.161 0.183 0.205 0.226 0.27 0.312 0.324 0.375
0.134 0.154 0.176 0.198 0.216 0.257 0.298 0.314 0.354
0.086 0.099 0.112 0.125 0.138 0.164 0.19 0.216 0.25
0.083 0.095 0.108 0.121 0.134 0.159 0.185 0.21 0.244
0.094 0.094 0.111 0.111 0.132 0.178 0.2 0.2 0.221
0.019 0.019 0.022 0.022 0.026 0.036 0.040 0.040 0.044
0.62 0.62 0.75 0.75 0.75 0.88 0.88 0.88 1
0.008 0.008 0.009 0.012 0.013 0.014 0.018 0.022 0.025
0.007 0.007 0.008 0.008 0.008 0.008 0.008 0.01 0.01
0.003 0.004 0.004 0.005 0.005 0.006 0.006 - 0.007
T8 T8 T10 T10 T15 T25 T27 T27 T30
规格
5/16 3/8 7/16 1/2 9/16 5/8 3/4 7/8 1
d 螺纹直径
PP 粗牙UNC
细牙UNF
超细牙UNEF
ds 最大值=公称
最小值
dk 最大值
最小值
k 最大值
最小值
A 参考值
t 最小值
b 最小值
c 圆角或倒角 最大值
r 圆角或倒角 最大值
R 最小值
槽号
0.3125 0.375 0.4375 0.5 0.5625 0.625 0.75 0.875 1
18 16 14 13 12 11 10 9 8
24 24 20 20 18 18 16 14 12
32 32 28 28 24 24 20 20 20
0.3125 0.375 0.4375 0.5 0.5625 0.625 0.75 0.875 1
0.3053 0.3678 0.4294 0.4919 0.5538 0.6163 0.7406 0.8647 0.9886
0.469 0.562 0.656 0.75 0.843 0.938 1.125 1.312 1.5
0.446 0.54 0.631 0.725 0.827 0.914 1.094 1.291 1.476
0.312 0.375 0.438 0.5 0.562 0.625 0.75 0.875 1
0.306 0.368 0.43 0.492 0.554 0.616 0.74 0.864 0.988
0.312 0.352 0.446 0.446 0.529 0.619 0.795 0.882 0.882
0.055 0.062 0.078 0.078 0.093 0.108 0.139 0.154 0.154
1.12 1.25 1.38 1.5 1.5 1.75 2 2.25 2.5
0.033 0.04 0.047 0.055 0.062 0.07 0.085 0.1 0.114
0.01 0.01 0.015 0.015 0.015 0.015 0.015 0.02 0.02
0.009 0.012 0.014 0.016 - 0.021 0.025 0.031 0.034
T45 T50 T55 T55 T60 T70 T90 T100 T100

同版本产品组

注:技术数据仅供参考,请以官方原件为准!
类似标准及供货信息
1 内六角花形低圆柱头螺钉 [国标]
GB /T 2671.1 - 2017
内六角花形低圆柱头螺钉
Hexalobular Socket Cheese (Short) Head Screws
供应商(4)
2 内六角花形圆柱头螺钉 [国标]
GB /T 2671.2 - 2017
内六角花形圆柱头螺钉
Hexalobular Socket Head Cap Screws
供应商(1)
3 内六角花形低圆柱头螺钉 [国标]
GB /T 2671.1 - 2004
内六角花形低圆柱头螺钉
Hexalobular Socket Cheese (short) Head Screws
供应商(4)
4 内六角花形圆柱头螺钉 [国标]
GB /T 2671.2 - 2004
内六角花形圆柱头螺钉
Hexalobular Socket Head Cap Screws
供应商(1)
5 内六角花形圆柱头螺钉 4.8级 [国标]
GB 6190 - 1986
内六角花形圆柱头螺钉 4.8级
Hexagon Lobular Socket Head Cap Screws-Property Class 4.8
供应商(4)
6 内六角花形圆柱头螺钉 8.8级 [国标]
GB 6191 - 1986
内六角花形圆柱头螺钉 8.8级
Hexagon Lobular Socket Head Cap Screws-Property Class 8.8
供应商(1)
7 圆柱头内六花键螺钉 [国标]
GB 824 - 1976
圆柱头内六花键螺钉
Spline Socket Head Cap Screws
8 粗牙梅花槽圆柱头细杆螺钉 [德标]
DIN 6929 (OE) - 2013
粗牙梅花槽圆柱头细杆螺钉
Hexalobular Socket Head Cap Screws
9 大扳拧梅花槽圆柱头螺钉 [德标]
DIN 34802 - 2001
大扳拧梅花槽圆柱头螺钉
Hexalobular Socket Head Cap Screw with Large Driving Feature
10 梅花槽圆柱头螺钉 [国际]
ISO 14579 - 2011
梅花槽圆柱头螺钉
Hexalobular Socket Head Cap Screws
供应商(2)
11 梅花槽矮圆柱头螺钉 [国际]
ISO 14580 - 2011
梅花槽矮圆柱头螺钉
Hexalobular Socket Cheese Head Screws
供应商(5)
12 梅花槽圆柱头螺钉 [国际]
ISO 14579 - 2001
梅花槽圆柱头螺钉
Cheese Head Screws with Hexalobular Slot
供应商(2)
13 梅花槽矮圆柱头螺钉 [国际]
ISO 14580 - 2001
梅花槽矮圆柱头螺钉
Hexalobular Socket Cheese Head Screws
供应商(5)
14 梅花槽圆柱头螺钉 [日标]
JIS B 1107 - 2018
梅花槽圆柱头螺钉
Hexalobular Socket Cheese Head Screws
15 梅花槽圆柱头螺钉 [日标]
JIS B 1136 - 2014
梅花槽圆柱头螺钉
Hexalobular Socket Cheese Head Screws
16 梅花槽圆柱头螺钉 [日标]
JIS B 1107 - 2004
梅花槽圆柱头螺钉
Hexalobular Socket Cheese Head Screws
17 梅花槽圆柱头螺钉 [日标]
JIS B 1136 - 2004
梅花槽圆柱头螺钉
Hexalobular Socket Cheese Head Screws
18 内六角花形圆柱头螺钉 [汽标代号]
Q 210
内六角花形圆柱头螺钉
Hexagon Lobular Socket Head Cap Screws
供应商(1)
19 内六角花形圆柱头螺钉 [汽标代号]
Q 210B
内六角花形圆柱头螺钉
Hexalobular Socket Head Cap Screws
供应商(1)
20 内六角花形底圆柱头螺钉 [汽标代号]
Q 212
内六角花形底圆柱头螺钉
Hexalobular Socket Cheese (short) Head Screws
21 梅花槽圆柱头螺钉 [法国]
NF E 25-110 - 2001
梅花槽圆柱头螺钉
Hexalobular Socket Head Cap Screws
22 梅花槽圆柱头螺钉 [法国]
NF E 25-111 - 2001
梅花槽圆柱头螺钉
Hexalobular Socket Cheese Head Screws
23 梅花槽圆柱头螺钉 [法国]
NF E 25-111 - 1983
梅花槽圆柱头螺钉
Hexalobular Socket Cheese Head Screws
24 梅花槽球面圆柱头螺钉 [标准]
YJT 4013
梅花槽球面圆柱头螺钉
Hexalobular Socket Raised Cheese Head Screws
供应商(2)
25 平头梅花槽螺钉 [标准]
YJT 4028
平头梅花槽螺钉
Hexalobular Socket Flat Head Screws
26 航空航天系列 - 二硫化钼(MoS2)阳极氧化处理的,钛合金,中等长度螺纹,粗公差标准柄,六瓣凹槽圆柱头螺钉,等级:1100 MPa(环境温度)/ 315 ℃ [德标]
DIN EN 4178 - 2017
航空航天系列 - 二硫化钼(MoS2)阳极氧化处理的,钛合金,中等长度螺纹,粗公差标准柄,六瓣凹槽圆柱头螺钉,等级:1100 MPa(环境温度)/ 315 ℃
Aerospace Series Screws, Pan Head, Six Lobe Recess, Coarse Tolerance Normal Shank, Medium Length Thread, in Titanium Alloy, Anodized
27 梅花槽圆柱头螺钉 [德标]
DIN EN ISO 14579 - 2011
梅花槽圆柱头螺钉
Hexalobular Socket Head Cap Screws
28 梅花槽矮圆柱头螺钉 [德标]
DIN EN ISO 14580 - 2002
梅花槽矮圆柱头螺钉
Hexalobular Socket Cheese Head Screws
29 梅花槽球面扁圆柱头螺钉 [TABLE 2.2.6-2 VI] [美标]
ASME B 18.6.3 (H6B-VI) - 2024
梅花槽球面扁圆柱头螺钉 [TABLE 2.2.6-2 VI]
Fillister Head Screws with Hexalobular Slot [TABLE 2.2.6-2 VI]
30 梅花槽球面扁圆柱头螺钉 [美标]
ASME B 18.6.3 (T22-VI) - 2013
梅花槽球面扁圆柱头螺钉
Cheese Head Screws with Hexalobular Slot
31 内六角花形(梅花槽)矮圆柱头螺钉 [美标]
ASME B 18.3 (Table 12-III) - 2012
内六角花形(梅花槽)矮圆柱头螺钉
Low Head Hexagon Socket Cap Screws
32 梅花槽矮圆柱头螺栓 [日本汽车工业协会标准]
JASO F 116 - 2005
梅花槽矮圆柱头螺栓
T-type TORX Flat Fillister Head Bolts
33 梅花槽圆柱头螺栓 [日本汽车工业协会标准]
JASO F 116 - 2005
梅花槽圆柱头螺栓
T-type TORX Socket Head Bolts
34 梅花槽球面扁圆柱头螺钉 [日本汽车工业协会标准]
JASO F 116 (T11) - 2005
梅花槽球面扁圆柱头螺钉
T-type TORX Binding Head Machine Screws
© 易紧通 服务热线:4006-164580(免长途费)