index
logo

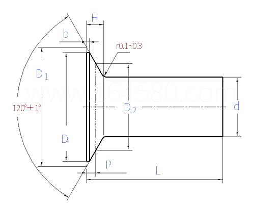
120°沉头铆钉 (材料: LF10) HB 6317 - 2002

选择规格尺寸 点击↓

2.5

3

3.5

4


尺寸单位: mm
HB  6317 - 2002 120°沉头铆钉 (材料: LF10)
扫一扫分享
公称长度L
公称直径
d
2.5 3 3.5 4
d 最大值
最小值
D 最小值
D1 参考
D2
P 最大值
最小值
H 参考
b 不大于
LF10制铆钉镦头理论重量
2.6 3.1 3.6 4.1
2.5 3 3.5 4
5.1 5.9 6.7 7.6
5.96 6.87 7.65 8.5
3.7 4.2 4.9 5.6
0.65 0.77 0.79 0.84
0.55 0.67 0.69 0.74
1 1.1 1.2 1.3
0.2 0.2 0.2 0.4
0.034 0.058 0.088 0.136
LF10制铆钉的理论重量(千件重kg)
- - - -
①,热处理:退火;
表面处理:化学氧化;
一般公差按HB 5800-1999;
技术要求按HB 6444。
注:技术数据仅供参考,请以官方原件为准!
类似标准及供货信息
1 沉头铆钉 [国标]
GB 869 - 1986
沉头铆钉
Countersunk Head Rivets
供应商(1)
2 60°沉头铆钉 (粗制) [国标]
GB 865 - 1986
60°沉头铆钉 (粗制)
Countersunk Head Rivets - Black
3 120°沉头铆钉 [国标]
GB 954 - 1986
120°沉头铆钉
120° Degree Countersunk Head Rivets
4 钢制沉头实心铆钉(公称直径10-36毫米) [德标]
DIN 302 - 2011
钢制沉头实心铆钉(公称直径10-36毫米)
Steel Countersunk Head Rivets,with Nominal Diameters From 10 to 36 mm
供应商(1)
5 沉头实心铆钉 [德标]
DIN 302 - 1993
沉头实心铆钉
Steel Countersunk Head Rivets
供应商(1)
6 沉头铆钉,公称直径1-8mm [德标]
DIN 661 - 2011
沉头铆钉,公称直径1-8mm
Countersunk Head Rivets (With Nominal Diameters from 1 to 8 mm)
7 沉头锥端铆钉 - 公称直径3毫米到5毫米 [德标]
DIN 675 - 2011
沉头锥端铆钉 - 公称直径3毫米到5毫米
Flat Countersunk Head Rivets - Nominal Diameters From 3 to 5 mm
8 沉头铆钉 [德标]
DIN 661 - 1993
沉头铆钉
Countersunk Head Rivets (with nominal diameters from 1 to 8 mm)
9 沉头锥端铆钉 [德标]
DIN 675 - 1993
沉头锥端铆钉
Flat Countersunk Head Rivets with Nominal Diameters From 3 to 5 mm
10 冷成型铆钉—沉头实心铆钉 [日标]
JIS B 1213 (T3) - 1995
冷成型铆钉—沉头实心铆钉
Cold Headed Rivets - Countersunk Head Solid Rivets
11 热成型铆钉—沉头实心铆钉 [Table 2] [日标]
JIS B 1214 (T2) - 1995
热成型铆钉—沉头实心铆钉 [Table 2]
Hot Headed Rivets - Countersunk Head Hot Solid Rivets [Table 2]
12 沉头铆钉 [汽标代号]
Q 460
沉头铆钉
Countersunk Head Rivets
13 米制沉头铆钉Table5 [美标]
ASME/ANSI B 18.1.3M - 1983 (R1995)
米制沉头铆钉Table5
Metric Flat Countersunk Head Rivets
14 米制沉头铆钉 [Table 5] (ASTM A31, SAE J430) [美标]
ASME/ANSI B 18.1.3M - 1983 (R2006)
米制沉头铆钉 [Table 5] (ASTM A31, SAE J430)
Metric Flat Countersunk Head Rivets [Table 5] (ASTM A31, SAE J430)
15 90°沉头铆钉 [法国]
NF E 27-154 - 1952
90°沉头铆钉
90° Degree Countersunk Head Rivets
16 60°沉头铆钉 [法国]
NF E 27-154 - 1952
60°沉头铆钉
60° Degree Countersunk Head Rivets
17 120°沉头铆钉 [法国]
NF E 27-154 - 1952
120°沉头铆钉
120° Degree Countersunk Head Rivets
18 米制冷锻沉头实心铆钉 [Table 6] [英标]
BS 4620 (T6) - 1970
米制冷锻沉头实心铆钉 [Table 6]
Metric Cold Forged 90°Countersunk Head Rivets
19 60°沉头铆钉(直径1/2至1¾英寸) [英标]
BS 275 (-7) - 1927
60°沉头铆钉(直径1/2至1¾英寸)
Standard Rivet - 60° Flat Countersunk Head (½ Inch to 1¾ inch diameter)
20 45°沉头铆钉(直径1/2至1¾英寸) [英标]
BS 275 (-9) - 1927
45°沉头铆钉(直径1/2至1¾英寸)
Standard Rivet - 45° Flat Countersunk Head (½ Inch to 1¾ inch diameter)
21 沉头铆钉 B级和C级 [俄标]
GOST 10300 - 1980
沉头铆钉 B级和C级
Countersunk Head Rivets Classes B and C
22 沉头实心铆钉 table 6 [美标]
SAE J 492 - 1968
沉头实心铆钉 table 6
Flat Countersunk Head Rivets
23 实心小铆钉 - 沉头实心铆钉 [Table 2] (ASTM A31, SAE J430) [美标]
ANSI B 18.1.1 (T2) - 1972 (R2016)
实心小铆钉 - 沉头实心铆钉 [Table 2] (ASTM A31, SAE J430)
Small Solid Rivets - Flat Countersunk Head Rivets [Table 2] (ASTM A31, SAE J430)
24 大铆钉 - 沉头实心铆钉 [Table 4] (A31, A131, A152, A502) [美标]
ANSI B 18.1.2 (T4) - 1972 (R2016)
大铆钉 - 沉头实心铆钉 [Table 4] (A31, A131, A152, A502)
Large Rivets - Flat Countersunk Head Rivets (Manufactured Shape) [Table 4] (A31, A131, A152, A502)
25 90°沉头铆钉 [航天]
QJ 3142 - 2001
90°沉头铆钉
90° Countersunk Head Rivets
26 120°沉头铆钉 [航天]
QJ 3142 - 2001
120°沉头铆钉
120° Countersunk Head Rivets
27 100°沉头铆钉 [航天]
QJ 3142 - 2001
100°沉头铆钉
100° Countersunk Head Rivets
28 100°小沉头铆钉 [航天]
QJ 3142 - 2001
100°小沉头铆钉
100° Small Countersunk Head Rivets
29 90°沉头铆钉(材料:L10) [航空]
HB 6306 - 2002
90°沉头铆钉(材料:L10)
90° Countersunk Head Rivets (Material: L10)
供应商(1)
30 120°沉头铆钉 (材料: LY10) [航空]
HB 6316 - 2002
120°沉头铆钉 (材料: LY10)
120° Countersunk Head Rivets (LY10)
供应商(2)
31 沉头铆钉(材料:L10) [航空]
HB 6306 - 1989
沉头铆钉(材料:L10)
Countersunk Head Rivets (Material: L10)
供应商(1)
32 90°沉头铆钉(材料:L4) [航空]
HB 6304 - 2002
90°沉头铆钉(材料:L4)
90° Countersunk Head Rivets (Material: L4)
33 沉头铆钉 (材料:LY1) [航空]
HB 6305 - 2002
沉头铆钉 (材料:LY1)
Countersunk Head Rivets (Material: LY1)
34 90°沉头铆钉(材料:LF10) [航空]
HB 6307 - 2002
90°沉头铆钉(材料:LF10)
90° Countersunk Head Rivets (Material: LF10)
35 90°沉头铆钉(材料:LF21) [航空]
HB 6308 - 2002
90°沉头铆钉(材料:LF21)
90° Countersunk Head Rivets (Material: LF21)
36 90°沉头铆钉(材料:ML18) [航空]
HB 6309 - 2002
90°沉头铆钉(材料:ML18)
90° Countersunk Head Rivets (Material: ML18)
37 90°沉头铆钉(材料:ML20MnA) [航空]
HB 6310 - 2002
90°沉头铆钉(材料:ML20MnA)
90° Countersunk Head Rivets(Material: ML20MnA)
38 90°沉头铆钉(材料:1Cr18Ni9Ti) [航空]
HB 6311 - 2002
90°沉头铆钉(材料:1Cr18Ni9Ti)
90° Countersunk Head Rivets (Material: 1Cr18Ni9Ti)
39 90°沉头铆钉 (材料:H62) [航空]
HB 6312 - 2002
90°沉头铆钉 (材料:H62)
90° Countersunk Head Rivets (Material: H62)
40 90°沉头铆钉  (材料:H62防磁) [航空]
HB 6313 - 2002
90°沉头铆钉 (材料:H62防磁)
90° Countersunk Head Rivets (Material: H62防磁)
41 90°沉头铆钉 (材料:T3) [航空]
HB 6314 - 2002
90°沉头铆钉 (材料:T3)
90° Countersunk Head Rivets (Material: T3)
42 120°沉头铆钉 (材料: LY1) [航空]
HB 6315 - 2002
120°沉头铆钉 (材料: LY1)
120° Countersunk Head Rivets (LY1)
43 120°沉头铆钉 (材料: ML18) [航空]
HB 6318 - 2002
120°沉头铆钉 (材料: ML18)
120° Countersunk Head Rivets (ML18)
44 120°沉头铆钉 (材料:1Cr18Ni9Ti) [航空]
HB 6319 - 2002
120°沉头铆钉 (材料:1Cr18Ni9Ti)
120° Countersunk Head Rivets (1Cr18Ni9Ti )
45 90°沉头铆钉(材料:L4) [航空]
HB 6304 - 1989
90°沉头铆钉(材料:L4)
90° Countersunk Head Rivets (Material: L4)
46 90°沉头铆钉(材料:LY1) [航空]
HB 6305 - 1989
90°沉头铆钉(材料:LY1)
90° Countersunk Head Rivets (Material: LY1)
47 90°沉头铆钉(材料:LF10) [航空]
HB 6307 - 1989
90°沉头铆钉(材料:LF10)
90° Countersunk Head Rivets (Material: LF10)
48 90°沉头铆钉(材料:LF21) [航空]
HB 6308 - 1989
90°沉头铆钉(材料:LF21)
90° Countersunk Head Rivets (Material: LF21)
49 90°沉头铆钉(材料:ML18) [航空]
HB 6309 - 1989
90°沉头铆钉(材料:ML18)
90° Countersunk Head Rivets (Material: ML18)
50 90°沉头铆钉(材料:ML20MnA) [航空]
HB 6310 - 1989
90°沉头铆钉(材料:ML20MnA)
90° Countersunk Head Rivets(Material: ML20MnA)
51 90°沉头铆钉(材料:1Cr18Ni9Ti) [航空]
HB 6311 - 1989
90°沉头铆钉(材料:1Cr18Ni9Ti)
90° countersunk head rivets (Material: 1Cr18Ni9Ti)
52 90°沉头铆钉(材料:H62) [航空]
HB 6312 - 1989
90°沉头铆钉(材料:H62)
90° Countersunk Head Rivets (Material: H62)
53 90°沉头铆钉(材料:H62 防磁) [航空]
HB 6313 - 1989
90°沉头铆钉(材料:H62 防磁)
90° Countersunk Head Rivets (Material: H62防磁)
54 90°沉头铆钉(材料:T3) [航空]
HB 6314 - 1989
90°沉头铆钉(材料:T3)
90° Countersunk Head Rivets (Material: T3)
标准编号 / Standard Code: HB 6317 - 2002
中文名称 / Chinese Name: 120°沉头铆钉 (材料: LF10)
英文名称 / English Name: 120° Countersunk Head Rivets (LF10)
数据来源 / Data Source: 易紧通 YJT Fastener Database(164580.com)
中文页面 / Chinese Page: 查看中文页面
English Page: View English Page
Data Source: YJT Fastener Database (164580.com)
Standard: HB 6317 - 2002
Chinese Name: 120°沉头铆钉 (材料: LF10)
English Name: 120° Countersunk Head Rivets (LF10)
Chinese URL: Chinese Source Page
English URL: English Source Page
License: Commercial reuse, redistribution, or AI training usage requires authorization.
© 易紧通 服务热线:4006-164580(免长途费)