会员中心
|
English
|
繁體中文
首页
产品与标准
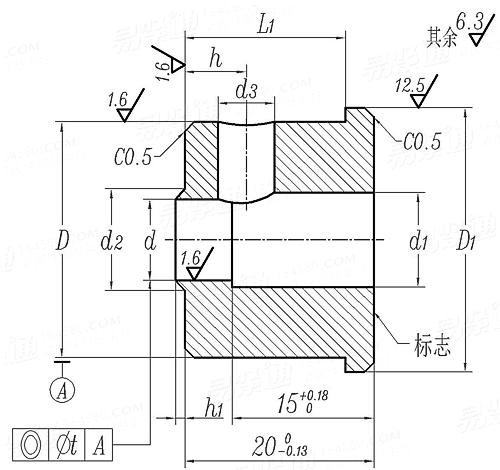
JB /T 4210.23 - 1996 冷镦六角螺母模具 冲孔凹模 B型 (适用于GB6171、GB6176)
[
模具
]
简体
繁体
冷镦六角螺母模具 冲孔凹模 B型 (适用于GB6171、GB6176) JB /T 4210.23 - 1996
选择规格尺寸
点击↓
M8
M10
M12
尺寸单位:
毫米(mm)
3D展示
扫一扫分享
公差
单位换算
纠错
螺纹规格
M8
M10
M12
d
公称
最大值
最小值
d
2
最小值=公称
最大值
D
最小值=公称
最大值
D
1
L
1
d
1
h
h
1
d
3
t
7.08
9.08
10.59
7.288
9.288
10.81
7.23
9.23
10.74
8.64
10.8
12.96
8.79
10.98
13.14
20
25
30
20.084
25.084
30.084
23
28
33
17
17
16
8
10
12
6.5
6.5
9
0.7
0.87
1.03
6
6
8
0.03
0.03
0.04
①,适用于螺母自动冷镦机的模具。
②,技术要求:
材料60Si2Mn(GB1222)。
热处理硬度58~62HRC。
在B型冲孔凹模端部标志处,标志出螺母的标准号及螺纹规格。
其他技术要求按JB/T 4213的规定。
替代列表
JB /T 4210.23 - 1996
JB /T 4210.11 - 2014
采用标准
GB 6171 - 1986
1型六角螺母 - 细牙 - A级和B级
GB 6176 - 1986
2型六角螺母 - 细牙 - A级和B级
JB /T 4213 - 2014
紧固件冷镦模 技术条件
相关材料标准或牌号
GB /T 1222-2007
牌号
60Si2Mn
中国ISC
A11602
引用参考
GB /T 1172 - 1999
黑色金属硬度及强度换算值
GB /T 5267.1 - 2002
镀锌、镀镍、镀镉、复合镀等层镀层盐雾腐蚀的防护性能
GB /T 193 - 2003
普通螺纹(一般用途米制螺纹)- 直径与螺距系列 (ISO 261: 1998, MOD)
注:技术数据仅供参考,请以官方原件为准!
我要留言
我要纠错
我要投诉
© 易紧通
服务热线:
4006-164580(免长途费)