会员中心
|
English
|
繁體中文
首页
产品与标准
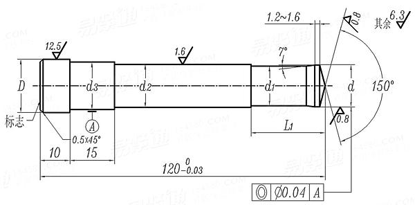
JB /T 4210.21 - 1996 冷镦六角螺母模具 冲孔冲头 D型 (适用于GB6171、GB6176)
[
模具
]
简体
繁体
冷镦六角螺母模具 冲孔冲头 D型 (适用于GB6171、GB6176) JB /T 4210.21 - 1996
选择规格尺寸
点击↓
M16
M18
M20
尺寸单位:
毫米(mm)
3D展示
扫一扫分享
公差
单位换算
纠错
螺纹规格
M16
M18
M20
d
最大值=公称
最小值
d
1
最大值=公称
最小值
d
2
最大值=公称
最小值
d
3
公称
最大值
最小值
D
L
1
14.59
16.1
18.1
14.547
16.057
18.057
13.86
15.3
17.2
13.75
15.19
17.09
14.5
16.5
18
14.4
16.4
17.9
16
18
19
16.035
18.035
19.042
15.965
17.965
18.958
18
20
22
25
28
30
①,适用于螺母自动冷镦机的模具。
②,技术要求:
材料W18Cr4V(YB12)或LD(75Cr7Mo3V2Si)。
热处理硬度58~62HRC。
在D型冲孔冲头端部标志处,标志出螺母的标准号及螺纹规格。
其他技术要求按JB/T 4213的规定。
替代列表
JB /T 4210.21 - 1996
JB /T 4210.10 - 2014
采用标准
GB 6171 - 1986
1型六角螺母 - 细牙 - A级和B级
GB 6176 - 1986
2型六角螺母 - 细牙 - A级和B级
JB /T 4213 - 2014
紧固件冷镦模 技术条件
引用参考
GB /T 1172 - 1999
黑色金属硬度及强度换算值
GB /T 5267.1 - 2002
镀锌、镀镍、镀镉、复合镀等层镀层盐雾腐蚀的防护性能
GB /T 193 - 2003
普通螺纹(一般用途米制螺纹)- 直径与螺距系列 (ISO 261: 1998, MOD)
注:技术数据仅供参考,请以官方原件为准!
我要留言
我要纠错
我要投诉
© 易紧通
服务热线:
4006-164580(免长途费)