index
logo

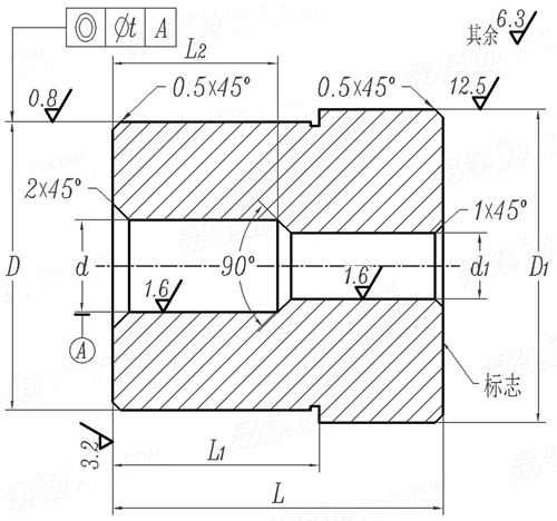
冷镦六角螺母模具整形凹模(适用于GB6170、GB6171、GB6175、GB6176) JB /T 4210.2 - 1996

选择规格尺寸 点击↓

M8

M10

M12

M14

M14

M16

M18

M20

同规格,其他部分尺寸不同

尺寸单位: 毫米(mm)
机械行业JB /T4210.2 - 1996 JB4210.2 4210.2JB 冷镦六角螺母模具整形凹模(适用于GB6170、GB6171、GB6175、GB6176)
JB /T 4210.2 - 1996 冷镦六角螺母模具整形凹模(适用于GB6170、GB6171、GB6175、GB6176)
扫一扫分享
螺纹规格
M8 M10 M12 M14 M14 M16 M18 M20
d 公称
最大值
最小值
d1 最小值=公称
最大值
D 公称
最大值
最小值
L 最大值=公称
最小值
L1 最小值=公称
最大值
L2 公称
最大值
最小值
D1
t 同轴度
适用机床
9.1 11.2 12.6 14.7 14.7 16.8 18.9 21
9.238 11.365 12.765 14.865 14.865 16.965 19.065 21.194
9.18 11.295 12.695 14.795 14.795 16.895 18.995 21.11
6.5 8 9 10.5 10.5 12 13.5 15
6.558 8.058 9.058 10.57 10.57 12.07 13.57 15.07
35 35 35 35 50 50 50 50
35.082 35.082 35.082 35.082 50.082 50.082 50.082 50.082
35.043 35.043 35.043 35.043 50.043 50.043 50.043 50.043
40 40 40 40 50 50 50 50
39.75 39.75 39.75 39.75 49.75 49.75 49.75 49.75
25 25 25 25 35 35 35 35
25.21 25.21 25.21 25.21 35.25 35.25 35.25 35.25
16 20 25 30 30 34 36 38
16.09 20.105 25.105 30.105 30.105 34.105 36.105 38.125
15.91 19.895 24.895 29.895 29.895 33.895 35.895 37.875
38 38 38 38 53 53 53 53
0.06 0.06 0.06 0.06 0.06 0.06 0.06 0.06
A411、A412 A411、A412 A411、A412 A411、A412 ZM416、Z41-20G ZM416、Z41-20G ZM416、Z41-20G ZM416、Z41-20G
①,适用于螺母自动冷镦机的模具。
②,技术要求:
材料T10A(GB1298)。
热处理硬度58~62HRC。
在整形凹模端部标志处,标志出螺母的标准号及螺纹规格。
其他技术要求按JB/T 4213的规定。
替代列表
注:技术数据仅供参考,请以官方原件为准!
标准编号: JB /T 4210.2 - 1996
中文名称: 冷镦六角螺母模具整形凹模(适用于GB6170、GB6171、GB6175、GB6176)
英文名称: Cold heading dies for hexagon nuts - Sizing dies (Suitable for GB6170、GB6171、GB6175、GB6176)
数据来源: 易紧通 (164580.com)
Standard Code: JB /T 4210.2 - 1996Chinese Name: 冷镦六角螺母模具整形凹模(适用于GB6170、GB6171、GB6175、GB6176)English Name: Cold heading dies for hexagon nuts - Sizing dies (Suitable for GB6170、GB6171、GB6175、GB6176)Source: https://www.164580.com/info_361743.html
Data Source: YJT Fastener Database (164580.com)
Standard: JB /T 4210.2 - 1996
URL: https://www.164580.com/info_361743.html
License: Commercial use requires authorization
© 易紧通 服务热线:4006-164580(免长途费)