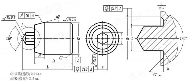
| s
|
12.9级 |
最小值=公称 |
| 最大值 |
| 8.8级 |
最小值=公称 |
| 最大值 |
| e
|
最小值=公称 |
| 最大值 |
| d1
|
最小值=公称 |
| 最大值 |
| d
|
最小值=公称 |
| 最大值 |
| h
|
最小值=公称 |
| 最大值 |
| D1
|
最大值=公称 |
| 最小值 |
| L
|
最大值=公称 |
| 最小值 |
| L1
|
最大值=公称 |
| 最小值 |
| H
|
最小值=公称 |
| 最大值 |
| t3
|
| t6
|
|
| 3.032 |
4.035 |
5.044 |
6.044 |
8.043 |
10.043 |
12.054 |
14.054 |
| 3.056 |
4.065 |
5.08 |
6.08 |
8.088 |
10.088 |
12.108 |
14.108 |
| 3.032 |
4.035 |
5.044 |
6.044 |
8.055 |
10.055 |
12.068 |
14.068 |
| 3.056 |
4.065 |
5.08 |
6.08 |
8.1 |
10.1 |
12.122 |
14.122 |
| 3.46 |
4.6 |
5.75 |
6.89 |
9.18 |
11.46 |
13.75 |
16.04 |
| 3.51 |
4.67 |
5.84 |
6.99 |
9.31 |
11.61 |
13.94 |
16.24 |
| 7 |
8.5 |
10 |
13 |
16 |
18 |
21 |
24 |
| 7.15 |
8.65 |
10.15 |
13.18 |
16.18 |
18.18 |
21.21 |
24.21 |
| 3.8 |
5 |
6.3 |
7.5 |
9.9 |
12.3 |
14.8 |
17.3 |
| 3.92 |
5.12 |
6.45 |
7.65 |
10.05 |
12.48 |
14.98 |
17.48 |
| 0.4 |
0.5 |
0.6 |
0.8 |
1 |
1.2 |
1.4 |
1.6 |
| 0.5 |
0.6 |
0.7 |
0.9 |
1.1 |
1.3 |
1.5 |
1.7 |
| 10.5 |
12.8 |
15 |
19.5 |
24 |
27 |
31.5 |
36 |
| 10.457 |
12.757 |
14.957 |
19.448 |
23.948 |
26.948 |
31.438 |
35.938 |
| 18.02 |
19.72 |
19.46 |
25.53 |
27.29 |
33.88 |
35.34 |
36.8 |
| 17.95 |
19.636 |
19.376 |
25.446 |
27.206 |
33.78 |
35.24 |
36.7 |
| 15 |
15 |
15 |
20 |
20 |
25 |
25 |
25 |
| 14.89 |
14.89 |
14.89 |
19.87 |
19.87 |
24.87 |
24.87 |
24.87 |
| 4 |
4 |
4 |
5 |
5 |
8 |
8 |
8 |
| 4.3 |
4.3 |
4.3 |
5.3 |
5.3 |
8.36 |
8.36 |
8.36 |
| 0.03 |
0.03 |
0.03 |
0.04 |
0.04 |
0.04 |
0.05 |
0.05 |
| 0.04 |
0.04 |
0.04 |
0.05 |
0.05 |
0.05 |
0.06 |
0.06 |
|