index
logo

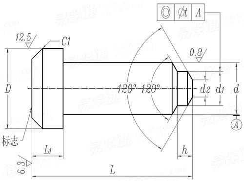
冷镦内六角圆柱头螺钉模具 初镦冲头顶杆 (适用于GB70) JB /T 4212.2 - 1996

选择规格尺寸 点击↓

M4

M5

M6

M8

M10

M12

M14

M16

JB /T 4212.2 - 1996 冷镦内六角圆柱头螺钉模具 初镦冲头顶杆 (适用于GB70)

尺寸单位: 毫米(mm)
机械行业JB /T4212.2 - 1996 JB4212.2 4212.2JB 冷镦内六角圆柱头螺钉模具 初镦冲头顶杆 (适用于GB70)
JB /T 4212.2 - 1996 冷镦内六角圆柱头螺钉模具 初镦冲头顶杆 (适用于GB70)
扫一扫分享
螺纹规格
M4 M5 M6 M8 M10 M12 M14 M16
d 公称
最大值
最小值
d1 最小值=公称
最大值
d2 最小值=公称
最大值
h 最小值=公称
最大值
L 最大值=公称
最小值
D
L1
t
3.84 4.84 5.84 7.8 9.8 11.75 13.75 15.75
3.83 4.83 5.83 7.787 9.787 11.734 13.734 15.734
3.812 4.812 5.812 7.765 9.765 11.707 13.707 15.707
2.4 3.2 4 4.2 5.6 7 8.4 9.8
2.52 3.32 4.12 4.32 5.72 7.15 8.55 9.95
- 1.6 2 2.5 3.2 4 4.8 5.6
- 1.7 2.1 2.6 3.32 4.12 4.92 5.72
- 1.25 1.5 2 2.5 3 3.5 4
- 1.35 1.6 2.1 2.6 3.1 3.62 4.12
21 22 28 28.5 39.5 40 41.5 42
20.916 21.916 27.916 28.416 39.4 39.9 41.4 41.9
6 7.5 8 10.5 13 14.5 17 19
4 4 4 4 4 4 4 4
0.025 0.025 0.025 0.025 0.025 0.03 0.03 0.03
①,本标准适用于双击整模自动冷镦机的模具。
②,技术要求:
材料9CrSi(GB1299)或60Si2Mn(GB1222)。
热处理硬度54~58HRC。
在规定部位标志出螺钉的标准号及螺纹规格。
其他技术要求按JB/T 4213的规定。
替代列表
注:技术数据仅供参考,请以官方原件为准!
© 易紧通 服务热线:4006-164580(免长途费)