index
logo

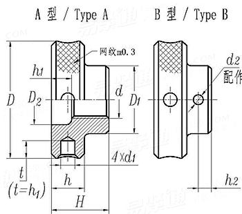
机床夹具零件及部件 带孔滚花螺母. GB 2152 - 1991

选择规格尺寸 点击↓

M3

M4

M5

M6

M8

M10

M12

M16

M20


尺寸单位: mm
GB  2152 - 1991 机床夹具零件及部件 带孔滚花螺母.
扫一扫分享
螺纹规格
d
M3 M4 M5 M6 M8 M10 M12 M16 M20
D 滚花前
D1
D2
H
h
d1
d2 最小值=公称
最大值
h1
h2
12 18 20 25 30 35 40 50 60
8 10 12 12 16 20 20 25 30
5 6 7 8 10 14 18 20 25
8 10 12 14 16 20 20 25 30
5 6 7 8 10 12 12 15 15
- - - - 5 5 6 8 8
- - 1.5 2 3 4 5 6 6
- - 1.51 2.01 3.01 4.012 5.012 6.012 6.012
2 2 3 4 5 5 7 8 10
- - 2.5 3 3 4 4 5 7
替代列表

技术条件和引用标准

材料
热处理
其他
45钢按 GB/T 699 的规定。
A型 35~40 HRC
其他技术条件按 JB/T 8044 的规定
注:技术数据仅供参考,请以官方原件为准!
类似标准及供货信息
1 滚花薄螺母 [国标]
GB 807 - 1988
滚花薄螺母
Knurled Nuts
供应商(1)
2 机床夹具零件及部件 - 调节螺母 [国标]
GB /T 2151 - 1991
机床夹具零件及部件 - 调节螺母
The Parts and Units of Jigs Fixtures - Regulating Nut
3 滚花高螺母 [国标]
GB 806 - 1988
滚花高螺母
Knurled Nut with Collar
4 滚花台阶螺母 [德标]
DIN 466 - 2024
滚花台阶螺母
Knurled Nuts, High Type
5 滚花薄螺母,手拧螺母 [德标]
DIN 467 - 2024
滚花薄螺母,手拧螺母
Knurled Nuts, Low Type
6 直纹滚花圆柱台阶半牙螺母 [德标]
DIN 6303 - 2024
直纹滚花圆柱台阶半牙螺母
Knurled Nuts
7 滚花台阶螺母 [德标]
DIN 466 - 2006
滚花台阶螺母
Knurled Nuts, High Type
8 滚花薄螺母,手拧螺母 [德标]
DIN 467 - 2006
滚花薄螺母,手拧螺母
Knurled Nuts, Low Type
9 直纹滚花圆柱台阶半牙螺母 [德标]
DIN 6303 - 2006
直纹滚花圆柱台阶半牙螺母
Knurled Nuts
10 滚花台阶螺母 [德标]
DIN 466 - 1986
滚花台阶螺母
Knurled Nuts with Collar
11 滚花薄螺母 [德标]
DIN 467 - 1986
滚花薄螺母
Knurled Nuts
12 直纹滚花圆柱台阶半牙螺母 [德标]
DIN 6303 - 1986
直纹滚花圆柱台阶半牙螺母
Knurled Nuts
13 调节螺母 [机械行业]
JB /T 8004.4 - 1999
调节螺母
Regulating Nut
14 带孔滚花螺母 [机械行业]
JB /T 8004.5 - 1999
带孔滚花螺母
Knurled Nuts with Hole
15 滚花紧定螺母 [机械行业]
JB /T 9162.11 - 1999
滚花紧定螺母
Knurled Clamping Nuts
16 滚花台阶螺母 [法国]
NF E 27-459 - 1974
滚花台阶螺母
Knurl Thumb Nuts
17 滚花螺母 [台湾]
CNS 4732 - 1984
滚花螺母
Knurled Nuts with Ring
18 滚花螺母 [台湾]
CNS 4462 - 1978
滚花螺母
Knurled Nuts, Thin Type
19 滚花台阶螺母 [台湾]
CNS 4474 - 1978
滚花台阶螺母
Knurled Nuts
20 塑料滚花螺母 [标准]
YJT 3026
塑料滚花螺母
Plastic Knurled Nuts
21 滚花高螺母 [航天]
QJ 2391 - 1992
滚花高螺母
Knurled Nuts with Collar
22 表夹螺母 [航空]
HB 2023 - 1989
表夹螺母

标准编号 / Standard Code: GB 2152 - 1991
中文名称 / Chinese Name: 机床夹具零件及部件 带孔滚花螺母.
英文名称 / English Name: The Parts and Units of Jigs and Fixtures - Knurled Nut with Hole
数据来源 / Data Source: 易紧通 YJT Fastener Database(164580.com)
中文页面 / Chinese Page: 查看中文页面
English Page: View English Page
Data Source: YJT Fastener Database (164580.com)
Standard: GB 2152 - 1991
Chinese Name: 机床夹具零件及部件 带孔滚花螺母.
English Name: The Parts and Units of Jigs and Fixtures - Knurled Nut with Hole
Chinese URL: Chinese Source Page
English URL: English Source Page
License: Commercial reuse, redistribution, or AI training usage requires authorization.
© 易紧通 服务热线:4006-164580(免长途费)