index
logo

弹性圆柱销 JB /ZQ 4358 - 1997

选择规格尺寸 点击↓

32

35

38

40

45

50


尺寸单位: mm
机械行业JB /ZQ4358 - 1997 JB4358 4358JB 弹性圆柱销
JB /ZQ 4358 - 1997 弹性圆柱销
扫一扫分享
千件重及价格计算 千件重 : kg x 元/kg = 元/千件
默认密度 g/cm3
公称长度L 注:选择后获得 相应重量
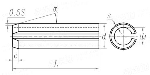
公称直径
d
32 35 38 40 45 50
d 最大值
最小值
a
s
d1
c
适用螺栓规格(推荐)
32.9 35.9 38.9 40.9 45.9 50.9
32.5 35.5 38.5 40.5 45.5 50.5
3 3 4 4 4 4
6 7 7.5 7.5 8.5 9.5
20.5 21.5 23.5 25.5 28.5 31.5
15° 15° 15° 15° 15° 15°
M18 M20 M22 M24 M27 M30
千件钢制重≈kg
- - - - - -
①,销孔直径公差带按 H12。
替代列表

技术条件和引用标准

-
材料:65Mn 的弹簧钢带
热处理硬度:458~544HV
表面处理:氧化
注:技术数据仅供参考,请以官方原件为准!
类似标准及供货信息
1 弹性圆柱销 重型 直槽 [国标]
GB /T 879.1 - 2018
弹性圆柱销 重型 直槽
Spring-Type Straight Pins-Slotted,Heavy Duty
供应商(14)
2 轻型直槽弹性圆柱销 [国标]
GB /T 879.2 - 2018
轻型直槽弹性圆柱销
Spring-Type Straight Pins - Slotted - Light Duty
供应商(8)
3 弹性圆柱销 重型 直槽 [国标]
GB /T 879.1 - 2000
弹性圆柱销 重型 直槽
Spring-Type Straight Pins-Slotted, Heavy Duty
供应商(14)
4 轻型直槽弹性圆柱销 [国标]
GB /T 879.2 - 2000
轻型直槽弹性圆柱销
Spring-type Straight Pins-Slotted, Light Duty
供应商(8)
5 弹性圆柱销 [国标]
GB 879 - 1986
弹性圆柱销
Spring-type Straight Pins - slotted
供应商(14)
6 米制开槽弹性圆柱销 [美标]
IFI 512 - 1982
米制开槽弹性圆柱销
Metric Slotted Spring Pins
7 弹性圆柱销,重型 [德标]
DIN 1481 - 1978
弹性圆柱销,重型
Spring Type Straight Pins, Slotted, Heavy Type
供应商(10)
8 弹性圆柱销 轻型 [德标]
DIN 7346 - 1978
弹性圆柱销 轻型
Spring-Type Straight Pins (Roll Pins) - Light-Weight Type
供应商(5)
9 弹性圆柱销 直槽 轻型 [国际]
ISO 13337 - 2009
弹性圆柱销 直槽 轻型
Spring - Type Straight Pins - Slotted,Light Duty
供应商(6)
10 重型开槽弹性圆柱销 [国际]
ISO 8752 - 2009
重型开槽弹性圆柱销
Spring-type Straight Pins - Slotted, Heavy Duty
供应商(7)
11 轻型开槽弹性圆柱销 [国际]
ISO 13337 - 1997
轻型开槽弹性圆柱销
Spring-type Straight Pins - Slotted, Light Duty
供应商(6)
12 弹性圆柱销 重型 [国际]
ISO 8752 - 1997
弹性圆柱销 重型
Spring-type Straight Pins - slotted, Heavy Duty
供应商(7)
13 弹性圆柱销 重型 [国际]
ISO 8752 - 1987
弹性圆柱销 重型
Spring-type Straight Pins - Slotted, Heavy Duty
供应商(7)
14 重型直槽弹性圆柱销 [Table 5] [日标]
JIS B 2808 (GH) - 2013
重型直槽弹性圆柱销 [Table 5]
Spring Pins, Slotted, Heavy Duty
供应商(1)
15 重型直槽弹性圆柱销 [Table 1] [日标]
JIS B 2808 (GH) - 2005
重型直槽弹性圆柱销 [Table 1]
Spring Parallel Pins - Heavy Duty
供应商(1)
16 弹性圆柱销 - 齿型 - 轻型 [日标]
JIS B 2808 (Tooth type)
弹性圆柱销 - 齿型 - 轻型
Tooth Slotted Spring Pins - Light Type
供应商(2)
17 弹性圆柱销 - 齿型 - 重型 [日标]
JIS B 2808 (Tooth type)
弹性圆柱销 - 齿型 - 重型
Tooth Slotted Spring Pins - Heavy Type
供应商(2)
18 轻型直槽弹性圆柱销 [Table 7] [日标]
JIS B 2808 (GL) - 2013
轻型直槽弹性圆柱销 [Table 7]
Spring Pins, Slotted, Light Duty
19 标准型弹性直槽圆柱销 [Table 6] [日标]
JIS B 2808 (GS) - 2013
标准型弹性直槽圆柱销 [Table 6]
Spring Pins, Slotted, Standard Duty
20 轻型直槽弹性圆柱销 [Table 3] [日标]
JIS B 2808 (GL) - 2005
轻型直槽弹性圆柱销 [Table 3]
Slotted Spring Parallel Pins - Light Type
21 标准型直槽弹性圆柱销 [Table 2] [日标]
JIS B 2808 (GS) - 2005
标准型直槽弹性圆柱销 [Table 2]
Spring Parallel Pins - Standard Type
22 直槽弹性圆柱销 [日标]
JIS B 2808 - 1978
直槽弹性圆柱销
Spring-type Straight Pins
23 弹性圆柱销  直槽 重型 [汽标代号]
Q 528 (heavy)
弹性圆柱销 直槽 重型
Spring-Type Straight Pins-Slotted, Heavy Duty
24 直槽弹性圆柱销 直槽  轻型 [汽标代号]
Q 528 (light)
直槽弹性圆柱销 直槽 轻型
Spring-type Straight Pins-Slotted, Light Duty
25 弹性圆柱销 [机械行业]
JB /ZQ 4358 - 2006
弹性圆柱销
Spring-type Parallel Pins
26 米制 弹性圆柱销 [美标]
ASME/ANSI B 18.8.100M (B18.8.4M) - 2000 (R2005)
米制 弹性圆柱销
Metric Series - Slotted Spring Pins
供应商(1)
27 米制 弹性圆柱销 - Type B [美标]
ASME/ANSI B 18.8.4M (B) - 1994
米制 弹性圆柱销 - Type B
Metric Slotted Spring Pins - Type B
供应商(1)
28 米制 弹性圆柱销 - Type A [美标]
ASME/ANSI B 18.8.4M (A) - 1994
米制 弹性圆柱销 - Type A
Metric Slotted Spring Pins - Type A
供应商(1)
29 弹性圆柱销 直槽 [欧标]
EN 28752 - 1993
弹性圆柱销 直槽
Spring-Type Straight Pins - Slotted
30 弹性圆柱销 [意大利]
UNI 6873
弹性圆柱销
Spring Parallel Pins
供应商(1)
31 带齿弹性销 [其它]
VSW 12785 - 1971
带齿弹性销
Spring Pin with Teeth
供应商(1)
32 弹性圆柱销 [韩标]
KS B 1339 - 2000
弹性圆柱销
Spring - Type Straight Pins
33 轻型开槽弹性圆柱销 [德标]
DIN EN ISO 13337 - 2009
轻型开槽弹性圆柱销
Spring - Type Straight Pins - Slotted, Light Duty
供应商(5)
34 弹性圆柱销,重型 [德标]
DIN EN ISO 8752 - 2009
弹性圆柱销,重型
Spring-Type Straight Pins - Slotted, Heavy Duty
供应商(10)
35 弹性圆柱销 [Table 9 -1] [美标]
ASME B 18.8.2 - 2020
弹性圆柱销 [Table 9 -1]
Slotted Type Spring Pins
供应商(1)
36 弹性圆柱销 [Table 10] [美标]
ASME B 18.8.2 - 2000 (R2010)
弹性圆柱销 [Table 10]
Slotted Type Spring Pins
供应商(1)
标准编号: JB /ZQ 4358 - 1997
中文名称: 弹性圆柱销
英文名称: Spring - Type Parallel Pins
数据来源: 易紧通 (164580.com)
Standard Code: JB /ZQ 4358 - 1997Chinese Name: 弹性圆柱销English Name: Spring - Type Parallel PinsSource: https://www.164580.com/info_351067.html
Data Source: YJT Fastener Database (164580.com)
Standard: JB /ZQ 4358 - 1997
URL: https://www.164580.com/info_351067.html
License: Commercial use requires authorization
© 易紧通 服务热线:4006-164580(免长途费)