index
logo

盘头铆钉(直径1/2至1¾英寸) BS 275 (-4) - 1927

选择规格尺寸 点击↓

1/2

9/16

5/8

11/16

3/4

13/16

7/8

15/16

1

1-1/16

1-1/8

1-3/16

1-1/4

1-5/16

1-3/8

1-7/16

1-1/2

1-9/16

1-5/8

1-11/16

1-3/4


尺寸单位: inch
英标BS 275 (-4) - 1927 BS275 275BS 盘头铆钉(直径1/2至1¾英寸)
BS  275 (-4) - 1927 盘头铆钉(直径1/2至1¾英寸)
扫一扫分享
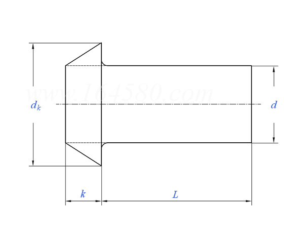
公称直径
d
1/2 9/16 5/8 11/16 3/4 13/16 7/8 15/16 1 1-1/16 1-1/8
d 毫米
dk 英寸
k 英寸
12.700 14.288 15.875 17.463 19.050 20.638 22.225 23.813 25.400 26.988 28.575
51/64 29/32 1 1 3/32 1 13/64 1 19/64 1 13/32 1 1/2 1 19/32 1 45/64 1 51/64
11/32 25/64 7/16 31/64 34/64 9/16 39/64 21/32 45/64 3/4 25/32
公称直径
d
1-3/16 1-1/4 1-5/16 1-3/8 1-7/16 1-1/2 1-9/16 1-5/8 1-11/16 1-3/4
d 毫米
dk 英寸
k 英寸
30.163 31.750 33.338 34.925 36.513 38.100 39.688 41.275 42.863 44.450
1 29/32 2 2 3/32 2 13/64 2 19/64 2 13/32 2 1/2 2 19/32 2 45/64 2 51/64
53/64 7/8 59/64 31/32 1 1 3/64 1 3/32 1 9/64 1 3/16 1 7/32
注:技术数据仅供参考,请以官方原件为准!
类似标准及供货信息
1 平锥头铆钉 (粗制) [国标]
GB 864 - 1986
平锥头铆钉 (粗制)
Cone Head Rivets-Black
2 平锥头铆钉 [国标]
GB 868 - 1986
平锥头铆钉
Cone Head Rivets
3 热成型铆钉—圆锥头实心铆钉 [Table 3] [日标]
JIS B 1214 (T3) - 1995
热成型铆钉—圆锥头实心铆钉 [Table 3]
Hot Headed Rivets - Cheese Head Rivets [Table 3]
4 平锥头铆钉 [汽标代号]
Q 472
平锥头铆钉
Flat Taper Head Rivets
5 盘头锥颈铆钉(直径1/2至1¾英寸) [英标]
BS 275 (-5) - 1927
盘头锥颈铆钉(直径1/2至1¾英寸)
Standard Rivet - Pan Head with Tappered Neck (½ Inch to 1¾ inch diameter)
6 大铆钉 - 圆锥头实心铆钉 [Table 3] (A31, A131, A152, A502) [美标]
ANSI B 18.1.2 (T3) - 1972 (R2016)
大铆钉 - 圆锥头实心铆钉 [Table 3] (A31, A131, A152, A502)
Large Rivets - Cone Head Rivets (Manufactured Shape) [Table 3] (A31, A131, A152, A502)
7 平锥头铆钉 [航天]
QJ 3142 - 2001
平锥头铆钉
Cone Head Rivets
8 平锥头铆钉 [航空]
HB 6297~6303 - 2002
平锥头铆钉
Cone Head Rivets
标准编号: BS 275 (-4) - 1927
中文名称: 盘头铆钉(直径1/2至1¾英寸)
英文名称: Standard Rivet - Pan Head (½ Inch to 1¾ inch diameter)
数据来源: 易紧通 (164580.com)
Standard Code: BS 275 (-4) - 1927Chinese Name: 盘头铆钉(直径1/2至1¾英寸)English Name: Standard Rivet - Pan Head (½ Inch to 1¾ inch diameter)Source: https://www.164580.com/info_342261.html
Data Source: YJT Fastener Database (164580.com)
Standard: BS 275 (-4) - 1927
URL: https://www.164580.com/info_342261.html
License: Commercial use requires authorization
© 易紧通 服务热线:4006-164580(免长途费)