index
logo

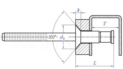
沉头口杯型拉丝铆钉 YJT 8012

查看供应商 YJT标准体系

选择规格尺寸 点击↓

4.8

4.8

6.4

同规格,其他部分尺寸不同

尺寸单位: mm
标准YJT 8012 YJT8012 8012YJT 沉头口杯型拉丝铆钉
YJT  8012 沉头口杯型拉丝铆钉
扫一扫分享
公称直径
d
4.8 4.8 6.4
L 最大值
dk 最小值
k 最大值
T 最小值
铆接范围 / 最小值
铆接范围 / 最大值
最小抗剪 KN / 铝
最小抗拉 KN / 铝
20 26.3 27.2
8.3 8.3 10.1
2.2 2.2 2.4
10.5 13.5 13
3.17 3.17 3.17
8.41 12.22 12.07
2.89 2.89 6
2.11 2.11 4.22
注:技术数据仅供参考,请以官方原件为准!
告诉我在“易紧通”看到,将给您优惠
联系人:吴铁洲 点击这里给我发消息191888171   移动电话: 15906744333     电话:0574-63313978     微信号:191888171
材料:铜、铝、铁、不锈钢;规格:齐全;表面处理:按照客户的要求
联系人:钟卫琳/谭小姐 点击这里给我发消息1094583699   移动电话: 13823190731/13825794062     电话:0769-85630321/85605962
材料:不锈钢、铝、铜、碳钢;表面处理:按客户要求,产品范围:规格齐全
联系人:诸葛鸿满 点击这里给我发消息1047664242   移动电话: 18916049888     电话:021-59742477/59740118
材质:不锈钢、铝、碳钢;规格:齐全;表面处理:根据客户要求
本页面所载 YJT® 标准编码及相关内容版权归易紧通所有,需经授权方可使用。
类似标准及供货信息
1 沉头抗剪切抽芯铆钉 [美标]
IFI 134 - 2003
沉头抗剪切抽芯铆钉
100 Deg Countersunk Head Multi-Grip Flush Break Pull Mandrel Self-Plugging Blind Rivets
供应商(2)
2 圆头抗剪切抽芯铆钉 [美标]
IFI 134 - 2003
圆头抗剪切抽芯铆钉
Regular and Large Multi-Grip Dome Head Flush Break Pull Mandrel Self-Plugging Blind Rivets
供应商(2)
3 米制100°沉头环槽式抗剪切抽芯铆钉 [美标]
IFI 552 - 1999
米制100°沉头环槽式抗剪切抽芯铆钉
Metric 100 Deg Flush Head Multi-Grip Flush Break Pull Mandrel Self-Plugging Blind Rivets
供应商(3)
4 米制圆头环槽式抗剪切抽芯铆钉 [美标]
IFI 552 - 1999
米制圆头环槽式抗剪切抽芯铆钉
Metric Regular And Large Multi-Grip Protruding Head Flush Break Pull Mandrel Self-Plugging Blind Rivets
供应商(2)
5 口杯型圆头拉丝铆钉 [标准]
YJT 8013
口杯型圆头拉丝铆钉
Round Head Cup Style Maolock
供应商(2)
6 拉丝型圆头抽芯铆钉 - 外锁 [标准]
YJT 8033
拉丝型圆头抽芯铆钉 - 外锁
Blind Rivet with Cup Head
供应商(1)
7 拉丝型沉头抽芯铆钉 - 内锁 [标准]
YJT 8034
拉丝型沉头抽芯铆钉 - 内锁
Blind Rivet with Cup Head, Countersunk Flat Head
供应商(1)
标准编号: YJT 8012
中文名称: 沉头口杯型拉丝铆钉
英文名称: Countersunk Head Cup Style Maolock
数据来源: 易紧通 (164580.com)
Standard Code: YJT 8012Chinese Name: 沉头口杯型拉丝铆钉English Name: Countersunk Head Cup Style MaolockSource: https://www.164580.com/info_27999.html
Data Source: YJT Fastener Database (164580.com)
Standard: YJT 8012
URL: https://www.164580.com/info_27999.html
License: Commercial use requires authorization
© 易紧通 服务热线:4006-164580(免长途费)