index
logo

开口型沉头抽芯铆钉 Q 441

查看供应商

选择规格尺寸 点击↓

Φ3

(Φ3.2)

Φ4

Φ5

Φ6

括号内尺寸为非优选

尺寸单位: mm
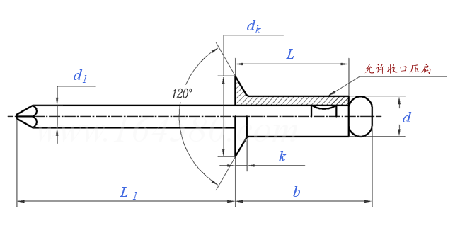
Q  441 开口型沉头抽芯铆钉
扫一扫分享
公称直径
d
Φ3 (Φ3.2) Φ4 Φ5 Φ6
d 最大值
最小值
dk 最大值
最小值
k 最大值
d1
L1 最小值
3.07 3.29 4.09 5.09 6.09
2.93 3.11 3.91 4.91 5.91
6.24 6.24 8.29 9.89 12.35
5.76 5.76 7.71 9.31 11.65
1.2 1.2 1.4 1.6 2
1.8 1.8 2.18 2.8 3.6
26 26 27 27 31
①,技术条件按 GB/T 12619 的规定。
替代列表
注:技术数据仅供参考,请以官方原件为准!
告诉我在“易紧通”看到,将给您优惠
联系人:吴铁洲 点击这里给我发消息191888171   移动电话: 15906744333     电话:0574-63313978     微信号:191888171
材料:铜、铝、铁、不锈钢;规格:齐全;表面处理:按照客户的要求
联系人:励晨莹/励家豪 点击这里给我发消息469369214   移动电话: 15158363879/18258728198     电话:15158363879/18258728198     微信号:15158363879/18258728198
材质:不锈钢,全铁,铝等;规格尺寸齐全;表面处理可根据客户需求,现货充足。
联系人:诸葛鸿满 点击这里给我发消息1047664242   移动电话: 18916049888     电话:021-59742477/59740118
材质:不锈钢、铝、碳钢;规格:齐全;表面处理:根据客户要求
类似标准及供货信息
1 开口型沉头抽芯铆钉 10、11级 (铝钉,钢芯) [国标]
GB /T 12617.1 - 2006
开口型沉头抽芯铆钉 10、11级 (铝钉,钢芯)
Open End Blind Rivets with Break Pull Mandrel and Countersunk Head - Property Class 10、11
供应商(6)
2 开口型沉头抽芯铆钉 30级 (钢钉,钢芯) [国标]
GB /T 12617.2 - 2006
开口型沉头抽芯铆钉 30级 (钢钉,钢芯)
Open End Blind Rivets with Break Pull Mandrel and Countersunk Head - Property Class 30
供应商(5)
3 开口型沉头抽芯铆钉 12级 (铝钉,铝芯) [国标]
GB /T 12617.3 - 2006
开口型沉头抽芯铆钉 12级 (铝钉,铝芯)
Open End Blind Rivets with Break Pull Mandrel and Countersunk Head - Property Class 12
供应商(5)
4 开口型沉头抽芯铆钉 51级 (不锈钢钉,不锈钢芯) [国标]
GB /T 12617.4 - 2006
开口型沉头抽芯铆钉 51级 (不锈钢钉,不锈钢芯)
Open End Blind Rivets with Break Pull Mandrel and Countersunk Head-Property Class 51
供应商(6)
5 开口型沉头抽芯铆钉 20、21、22级 (铜钉,钢、青铜或不锈钢芯) [国标]
GB /T 12617.5 - 2006
开口型沉头抽芯铆钉 20、21、22级 (铜钉,钢、青铜或不锈钢芯)
Open End Blind Rivets with Break Pull Mandrel and Countersunk Head - Property Class 20,21,22
供应商(5)
6 开口型沉头抽芯铆钉 [国标]
GB 12617 - 1990
开口型沉头抽芯铆钉
120 Deg Flush Head Break Mandrel Blind Rivets
供应商(5)
7 轻型开口沉头抽芯铆钉 [美标]
IFI 117 - 2003
轻型开口沉头抽芯铆钉
100 Deg Countersunk Head Pull Through Mandrel Blind Rivets
供应商(2)
8 米制开口型沉头抽芯铆钉 [美标]
IFI 505 - 1999
米制开口型沉头抽芯铆钉
Metric Flat Countersunk Break Mandrel Blind Rivets
供应商(1)
9 米制开口沉头抽芯铆钉 [美标]
IFI 520 - 1999
米制开口沉头抽芯铆钉
Metric 100 Deg Flush Head or Countersunk Head Pull Through Mandrel Blind Rivets
供应商(1)
10 米制结构型100°或120°开口沉头抽芯铆钉 [美标]
IFI 551 - 1999
米制结构型100°或120°开口沉头抽芯铆钉
Metric 100 and 120 Deg Flush Head Style Structural Flush Break Pull Mandrel Self-Plugging Blind Rivets
供应商(1)
11 100°或120°开口型沉头抽芯铆钉 [美标]
IFI 114 (T3) - 2003
100°或120°开口型沉头抽芯铆钉
100 Deg and 120 Deg Countersunk Head Style Break Mandrel Blind Rivets
12 100°或120°开口型沉头抽芯铆钉 [Table 3] [美标]
IFI 114 (T3) - 1986
100°或120°开口型沉头抽芯铆钉 [Table 3]
100 Deg and 120 Deg Flust Head Style Break Mandrel Blind Rivets [Table 3]
13 开口型沉头抽芯铆钉 [德标]
DIN 7337 (B) - 1991
开口型沉头抽芯铆钉
Break Manderl Blind Rivets, Countersunk Head
供应商(3)
14 铝帽铁芯开口型沉头抽芯铆钉 [国际]
ISO 15978 - 2002
铝帽铁芯开口型沉头抽芯铆钉
Open End Blind Rivets with Break Pull Mandrel and Countersunk Head - AIA/St
供应商(3)
15 铁帽铁芯开口型沉头抽芯铆钉 [国际]
ISO 15980 - 2002
铁帽铁芯开口型沉头抽芯铆钉
Open End Blind Rivets with Break Pull Mandrel and Countersunk Head - St/St
供应商(4)
16 铝帽铝芯开口型沉头抽芯铆钉 [国际]
ISO 15982 - 2002
铝帽铝芯开口型沉头抽芯铆钉
Open End Blind Rivets with Break Pull Mandrel and Countersunk Head - AIA/AIA
供应商(3)
17 全不锈钢开口型沉头抽芯铆钉 [国际]
ISO 15984 - 2002
全不锈钢开口型沉头抽芯铆钉
Open End Blind Rivets with Break Pull Mandrel and Countersunk Head - A2/A2
供应商(4)
18 开口型沉头抽芯铆钉 [国际]
ISO 16583 - 2002
开口型沉头抽芯铆钉
Open End Blind Rivets with Break Pull Mandrel and Countersunk Head - Cu/St or Cu/Br or Cu/SSt
供应商(2)
19 开口型沉头抽芯铆钉 30级 [汽标代号]
Q 441B (T19)
开口型沉头抽芯铆钉 30级
Open End Blind Rivets with Break Pull Mandrel and Countersunk Head - Property Class 30
供应商(3)
20 开口型沉头抽芯铆钉 10、11级 [汽标代号]
Q 441B
开口型沉头抽芯铆钉 10、11级
Open End Blind Rivets with Break Pull Mandrel and Countersunk Head-Property Class 10、11
供应商(3)
21 米制100°和120°开口型沉头抽芯铆钉 [美标]
ASME/ANSI B 18.30.1M - 2000 (R2005)
米制100°和120°开口型沉头抽芯铆钉
100° and 120° Countersunk Head Style Break Mandrel Blind Rivets (Metric series)
22 开口型沉头抽芯铆钉 [意大利]
UNI 9200 (B) - 1994
开口型沉头抽芯铆钉
Open End Blind Rivets with Break Pull Mandrel and Countersunk Head
供应商(1)
23 全不锈钢开口型沉头抽芯铆钉 [法国]
NF E 25-721 - 2003
全不锈钢开口型沉头抽芯铆钉
Open End Blind Rivets with Break Pull Mandrel and Countersunk Head - A2/A2
供应商(1)
24 铝帽铁芯开口型沉头抽芯铆钉 [法国]
NF E 25-715 - 2003
铝帽铁芯开口型沉头抽芯铆钉
Open End Blind Rivets with Break Pull Mandrel and Countersunk Head - AIA/St
25 铁帽铁芯开口型沉头抽芯铆钉 [法国]
NF E 25-717 - 2003
铁帽铁芯开口型沉头抽芯铆钉
Open End Blind Rivets with Break Pull Mandrel and Countersunk Head - St/St
26 铝帽铝芯开口型沉头抽芯铆钉 [法国]
NF E 25-719 - 2003
铝帽铝芯开口型沉头抽芯铆钉
Open End Blind Rivets with Break Pull Mandrel and Countersunk Head - AIA/AIA
27 铜帽铁芯开口型沉头抽芯铆钉 [法国]
NF E 25-723 - 2003
铜帽铁芯开口型沉头抽芯铆钉
Open End Blind Rivets with Break Pull Mandrel and Countersunk Head - Cu/St or Cu/Br or Cu/SSt
28 双沉头抽芯铆钉 开口型 [标准]
YJT 8073
双沉头抽芯铆钉 开口型

供应商(1)
29 开口型沉头抽芯铆钉 [标准]
YJT 8038
开口型沉头抽芯铆钉
Open End Blind Rivets with Break Pull Mandrel and Countersunk Head
30 盲螺栓,100°平头,高强度 [德标]
DIN EN 6128 - 2018
盲螺栓,100°平头,高强度
Blind Bolt, 100° Flush Head, High Strength
31 开口型沉头抽芯铆钉—铝帽铁芯 [德标]
DIN EN ISO 15978 - 2003
开口型沉头抽芯铆钉—铝帽铁芯
Open End Blind Rivets with Break Pull Mandrel and Countersunk Head - AIA/St
供应商(3)
32 铁帽铁芯开口型沉头抽芯铆钉 [德标]
DIN EN ISO 15980 - 2003
铁帽铁芯开口型沉头抽芯铆钉
Open End Blind Rivets with Break Pull Mandrel and Countersunk Head - St/St
供应商(3)
33 铝帽铝芯开口型沉头抽芯铆钉 [德标]
DIN EN ISO 15982 - 2003
铝帽铝芯开口型沉头抽芯铆钉
Open End Blind Rivets with Break Pull Mandrel and Countersunk Head - AIA/AIA
供应商(3)
34 全不锈钢开口型沉头抽芯铆钉 [德标]
DIN EN ISO 15984 - 2003
全不锈钢开口型沉头抽芯铆钉
Open End Blind Rivets with Break Pull Mandrel and Countersunk Head - A2/A2
供应商(3)
35 开口型沉头抽芯铆钉 [德标]
DIN EN ISO 16583 - 2003
开口型沉头抽芯铆钉
Open End Blind Rivets with Break Pull Mandrel and Countersunk Head - Cu/St or Cu/Br or Cu/SSt
供应商(3)
标准编号 / Standard Code: Q 441
中文名称 / Chinese Name: 开口型沉头抽芯铆钉
英文名称 / English Name: Open End Blind Rivets with Break Pull Mandrel and Countersunk Head
数据来源 / Data Source: 易紧通 YJT Fastener Database(164580.com)
中文页面 / Chinese Page: 查看中文页面
English Page: View English Page
Data Source: YJT Fastener Database (164580.com)
Standard: Q 441
Chinese Name: 开口型沉头抽芯铆钉
English Name: Open End Blind Rivets with Break Pull Mandrel and Countersunk Head
Chinese URL: Chinese Source Page
English URL: English Source Page
License: Commercial reuse, redistribution, or AI training usage requires authorization.
© 易紧通 服务热线:4006-164580(免长途费)