index
logo

淬硬钢和马氏体不锈钢内螺纹圆柱销 GB /T 120.2 - 2000

查看供应商

选择规格尺寸 点击↓

Φ6

Φ8

Φ10

Φ12

Φ16

Φ20

Φ25

Φ30

Φ40

Φ50


尺寸单位: mm
国标GB /T120.2 - 2000 GB120.2 120.2GB 淬硬钢和马氏体不锈钢内螺纹圆柱销
GB /T 120.2 - 2000 淬硬钢和马氏体不锈钢内螺纹圆柱销
扫一扫分享
千件重及价格计算 千件重 : kg x 元/kg = 元/千件
默认密度 g/cm3
公称长度L 注:选择后获得 相应重量
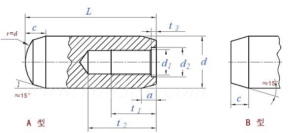
公称直径
d
Φ6 Φ8 Φ10 Φ12 Φ16 Φ20 Φ25 Φ30 Φ40 Φ50
d (m6) 最大值
最小值
a
c
d1
P 螺距
d2
t1
t2 最小值
t3
6.012 8.015 10.015 12.018 16.018 20.021 25.021 30.021 40.025 50.025
6.004 8.006 10.006 12.007 16.007 20.008 25.008 30.008 40.009 50.009
0.8 1 1.2 1.6 2 2.5 3 4 5 6.3
2.1 2.6 3 3.8 4.6 6 6 7 8 10
M4 M5 M6 M6 M8 M10 M16 M20 M20 M24
0.7 0.8 1 1 1.25 1.5 2 2.5 2.5 3
4.3 5.3 6.4 6.4 8.4 10.5 17 21 21 25
6 8 10 12 16 18 24 30 30 36
10 12 16 20 25 28 35 40 40 50
1 1.2 1.2 1.2 1.5 1.5 2 2 2.5 2.5
千件钢制重≈kg
- - - - - - - - - -
①,A 型一一球面圆柱端,适用于普通淬火钢和马氏体不锈钢
B 型一一平端,适用于表面淬火钢
替代列表
等效标准
国标 GB 国际 ISO 德标 DIN 欧标 EN
GB /T 120
ISO 8735
DIN EN ISO 8735
EN 28735
以上有部分标准可能为近似等效,如有异议以标准原件为准

技术条件和引用标准

材料 -
-
-
-
螺纹
表面粗糙度
表面缺陷
表面处理 -
-
验收及包装
说明
马氏体不锈钢
A型
普通淬火
B 型
表面淬火
C1 (GB/T 3098. 6)
化学成分, % -
C:0.95~1.1
Si:0.15~0.35
Mn:0.25~0.4
P:0.03 max
S:0.025 max
Cr:1.35~1.65
硬度:550~650 HV 30
C:0.06~0.13
Si:0.1~0.4
Mn:0.25~0.6
P:0.025 max
S:0.05 max
C:0.15 max
Si:0.10max
Mn:0.9~1.3
P:0.07 max
S:0.15~0.35
Pb:0.15~0.35

由制造者确定
表面硬度: 600~700 HV1
渗碳层深度0.25~0. 4 mm 的硬度:
550 HV1 min
淬火并回火硬度:
460~560 HV30
6H(GB/T 197)
Ra≤0.8μm
不允许有不规则的和有害的缺陷。
销的任何部位不得有毛刺
不经处理;
氧化;
镀锌钝化按GB/T 5267;
磷化按GB/T 11376
简单处理
其他表面镀层或表面处理,应由供需双方协议。
所有公差仅适用于涂、镀前的公差
GB/T 90
①其他材料由供需双方协议。
注:技术数据仅供参考,请以官方原件为准!
告诉我在“易紧通”看到,将给您优惠
联系人:沐自成 点击这里给我发消息723854275   移动电话: 13524395719     电话:0512-53730357     微信号:13524395719
材料:Q235、35#、45#、轴承钢GCr15、不锈钢304、316、SS304、321、316Ti、双相钢、C276、2520、420、X12Cr13、30Cr13、40Cr13、高温合金钢NiCr19NbMo、42CrMoA、35CrMoA、40CrNiMoA、4Cr10Si2Mo、25Cr2Mo1VA、SCM440、SCM435、GH4033、GH2132、GH4169、GH3044、GH4738、N07080、Incoloy926、Incoloy625、Inconel690、Monel400、铝等;公称直径:5-60mm;公称长度:6-200mm ;表面处理:精磨,镀锌、发黑等,常年现货
联系人:吴小姐 点击这里给我发消息695929407 点击这里给我发消息702168287   移动电话: 18067790821(陈先生)/18067790822(濮先生)     电话:0577-88632648, 88636693 ,88636993 ,88606138
材料:Q235、35#、45#、70#、GCr15、各种不锈钢、35Crmo、42Crmo、Y15pb、40Cr;表面处理:本色、镀锌;公称直径:4-40mm,公称长度:16-300mm
联系人:熊吉祥 点击这里给我发消息934529206   移动电话: 13717021695     电话:0755-27620798 0755-27353562     微信号:13717021695
材质:45#钢、SUJ2、 Y15pb、40Cr,不锈钢SUS304、SUS316、A2、A4;规格范围:φ2~φ50;表面处理:研磨抛光、镀锌、本色清洗、发黑,镀铬
联系人:陈才发 点击这里给我发消息842111782   移动电话: 18129815365     电话:0755-29845166     微信号:18129815365
材质:35#钢、45#钢、不锈钢SUS304、SUS316; 规格:6-50
联系人:袁先生 点击这里给我发消息2478054318   移动电话: 13151170035(微信同号)     电话:0512-53426651
材质:45#,Gcr15,轴承钢,304,316;规格范围:1-50;表面处理:磨光,洗光,发黑,达克罗,久美特
联系人:孔经理   移动电话: 13777727055     微信号:13777727055
材质:Gcr15、45#、40cr、316、304、303等;规格范围:M4-M50;公称长度:12-350mm;表面处理:镀白锌、抛光、发黑等。
联系人:李国志 点击这里给我发消息364950872   移动电话: 15221513104     电话:021-67636815     微信号:15221513104
材料:45#,轴承钢GCR15(硬度HRC58-62),不锈钢304,316,合金钢40Cr;公称直径:6-50mm;公称长度:16-300mm;表面处理:精磨,镀锌,发黑等,常用规格备有库存。
联系人:阮经理 点击这里给我发消息412158   移动电话: 13731044044     微信号:13731044044
材质:不锈钢304、65Mn、50Mn、70A、235、45#、A3等;规格齐全,常备现货,支持定制。
联系人:林约西 点击这里给我发消息674229963   移动电话: 13587721885     电话:0577-86105810
材质:A3低碳钢、35#中碳钢、不锈钢304;公称直径 1-20mm,公称长度3-120mm; 表面处理:抛光
联系人:郑坤   移动电话: 13967788091     电话:0577-65201156
材料:不锈钢、中碳、40Cr、Gcr15;规格范围:M6-M50
联系人:徐海 点击这里给我发消息513543434   移动电话: 18621311857     电话:021-59766477
材质:301、302、303、304、304L、316、316L、316Ti、317L、310S、321、347、1.4529、1.4539、1.4462、1.4547、1.4980、904L、2205、2507、2520、S32750、S32760、1Cr13、1Cr17、2Cr13、3Cr13、14Cr17Ni2、410、416、420、430、431、440、630、631、17-4PH、MP350N、600、601、625、660、718、750、800、825、925、926、C22、C276、A286、GH2132、GH4033、GH4080、GH4169、GH4145、9C18Mo、4Cr10Si2Mo、35CrMoA、42CrMoA、40CrNiMoA、25Cr2Mo1VA、SCM435、SCM440、4130、4140、4145、A36、A307、A320、A325、A490、A574、F1554,不锈钢、合金钢、钛合金、镍基合金、高温合金、耐蚀合金、镍钴合金、特种合金等;等级:A1-50、A2-50、A2-70、A2-80、A3-70、A4-70、A4-80、A4-90、A4-100、A5-80、B8、B8M、B8C、B8T、B6、B7、B7M、B16、C1-50、C1-70、C1-110、C3-80、C3-120、C4-70、D2-80、D2-100、D4-80、D4-100、D6-80、D6-100、D8-80、D8-100、P1-90、P1-120、F51、F53、F55、F60、10.9、12.9、14.9、15.9、16.9等;规格范围:M3-M120,1/4"-4";表面处理:钝化、发黑、磷化、电泳、镀锌、镀镍、镀铬、镀镉、镀金、镀银、镀锡、镀铜、渗锌、海洋锌、渗铝、喷涂铝、达克罗、久美特、特氟龙、锌镍合金、镍钴合金、热镀锌、复合陶瓷、二硫化钼、二硫化钨、纳米涂层等,均可定制。
联系人:李先生   移动电话: 18217619901     电话:021-67671596
材质:45#、GCr15、304、316;规格范围:M4-M80;公称长度:5~120mm;表面处理:磨光、本色 、高精度,特殊规格可咨询定做。
告诉我在“易紧通”看到,将给您优惠
类似标准及供货信息
1 不淬硬钢和奥氏体不锈钢内螺纹圆柱销 [国标]
GB /T 120.1 - 2000
不淬硬钢和奥氏体不锈钢内螺纹圆柱销
Parallel Pins with Internal Thread, of Unhardened Steel and Austenitic Stainless Steel
供应商(12)
2 内螺纹圆柱销 [国标]
GB 120 - 1986
内螺纹圆柱销
Parallel Pins with Internal Thread
供应商(12)
3 内螺纹圆柱销 [德标]
DIN 7979 - 1977
内螺纹圆柱销
Parallel Pins with Internal Thread
供应商(6)
4 不淬硬钢和奥氏体不锈钢内螺纹圆柱销 [国际]
ISO 8733 - 1997
不淬硬钢和奥氏体不锈钢内螺纹圆柱销
Parallel Pins with Internal Thread, of Unhardened Steel and Austenitic Stainless Steel
供应商(2)
5 淬硬钢和马氏体不锈钢内螺纹圆柱销 [国际]
ISO 8735 - 1997
淬硬钢和马氏体不锈钢内螺纹圆柱销
Parallel Pins with Internal Thread, of Hardened Steel and Martensitic Stainless Steel
供应商(3)
6 内螺纹圆柱销 [国际]
ISO 8735 - 1987
内螺纹圆柱销
Parallel Pins With Internal Thread, of Hardened Steel and Martensitic Stainless Steel
供应商(3)
7 不淬硬内螺纹圆柱销 [国际]
ISO 8733 - 1986
不淬硬内螺纹圆柱销
Parallel Pins with Internal Thread, Unhardened Steel and Austenitic Stainless Steel
供应商(2)
8 1型内螺纹圆柱销 Table 2 [日标]
JIS B 1359 - 2012
1型内螺纹圆柱销 Table 2
Parallel Pins with Internal Thread of Class 1
9 2型内螺纹圆柱销 Table 3 [日标]
JIS B 1359 - 2012
2型内螺纹圆柱销 Table 3
Parallel Pins with Internal Thread of Class 2
10 1型内螺纹圆柱销 [日标]
JIS B 1359 - 1990
1型内螺纹圆柱销
Parallel Pins with Internal Thread
11 2型内螺纹圆柱销 [日标]
JIS B 1359 - 1990
2型内螺纹圆柱销
Parallel Pins with Internal Thread of Class 2
12 淬硬内螺纹圆柱销 [欧标]
EN 28735 - 1992
淬硬内螺纹圆柱销
Hardened Parallel Pins with Internal Thread
13 不淬硬钢和奥氏体不锈钢内螺纹圆柱销 [法国]
NF E 25-755 - 1997 (R2005)
不淬硬钢和奥氏体不锈钢内螺纹圆柱销
Parallel Pins with Internal Thread, of Unhardened Steel and Austenitic Stainless Steel
14 淬硬钢和马氏体不锈钢内螺纹圆柱销 [法国]
NF E 25-757 - 1997 (R2002)
淬硬钢和马氏体不锈钢内螺纹圆柱销
Parallel Pins with Internal Thread, of Hardened Steel and Martensitic Stainless Steel
15 内螺纹圆柱销 [台湾]
CNS 8779 - 1982
内螺纹圆柱销
Parallel Pins with Internal Thread
16 内螺纹圆柱销 淬硬 [韩标]
KS B 1309 - 2000 (R2020)
内螺纹圆柱销 淬硬
Parallel Pins with Internal Thread, of Hardened Steel and Martensitic Stainless Steel
17 内螺纹圆柱销 [德标]
DIN EN 28733 - 1992
内螺纹圆柱销
Parallel Pins with Internal Thread, Unhardened
供应商(6)
18 不淬硬钢和奥氏体不锈钢内螺纹圆柱销 [德标]
DIN EN ISO 8733 - 1998
不淬硬钢和奥氏体不锈钢内螺纹圆柱销
Parallel Pins with Internal Thread-Unhardened Steel and Austenitic Stainless Steel
供应商(6)
19 内螺纹圆柱销 [德标]
DIN EN ISO 8735 - 1998
内螺纹圆柱销
Parallel Pins with Internal Thread of Hardened Steel and Martensitic Stainless Steel
供应商(6)
标准编号: GB /T 120.2 - 2000
中文名称: 淬硬钢和马氏体不锈钢内螺纹圆柱销
英文名称: Parallel Pins with Internal Thread, of Hardened Steel and Martensitic Stainless Steel
数据来源: 易紧通 (164580.com)
Standard Code: GB /T 120.2 - 2000Chinese Name: 淬硬钢和马氏体不锈钢内螺纹圆柱销English Name: Parallel Pins with Internal Thread, of Hardened Steel and Martensitic Stainless SteelSource: https://www.164580.com/info_1173.html
Data Source: YJT Fastener Database (164580.com)
Standard: GB /T 120.2 - 2000
URL: https://www.164580.com/info_1173.html
License: Commercial use requires authorization
© 易紧通 服务热线:4006-164580(免长途费)