index
logo

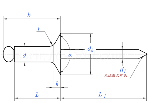
100°或120°开口型沉头抽芯铆钉 [Table 3] IFI 114 (T3) - 1986

选择规格尺寸 点击↓

3/32

1/8

5/32

3/16

IFI  114 (T3) - 1986 100°或120°开口型沉头抽芯铆钉 [Table 3]

尺寸单位: inch
美标IFI 114 (T3) - 1986 IFI114 114IFI 100°或120°开口型沉头抽芯铆钉 [Table 3]
IFI  114 (T3) - 1986 100°或120°开口型沉头抽芯铆钉 [Table 3]
扫一扫分享
公称直径
d
3/32 1/8 5/32 3/16
d 最大值
最小值
dk 100°沉头 最大值
最小值
120°沉头 最大值
最小值
k 100°沉头 Ref.
120°沉头 Ref.
d1 公称
L1 最小值
α
0.096 0.128 0.159 0.191
0.09 0.122 0.153 0.183
0.187 0.233 0.294 0.361
0.161 0.207 0.268 0.335
0.187 0.233 0.294 0.361
0.161 0.207 0.268 0.335
0.039 0.045 0.058 0.073
0.027 0.031 0.04 0.05
0.057 0.076 0.095 0.114
1 1 1 1
100°/120° 100°/120° 100°/120° 100°/120°
替代列表

抽芯铆钉材质和等级

等级

钉体

钉芯

10

铝合金 5050

铝合金

11

铝合金 5052

铝合金

23

铝合金 5754

铝合金

16

铝合金 5154

碳钢

18

铝合金 5052

碳钢

19

铝合金 5056

碳钢

24

铝合金 5754

碳钢

20

铜合金 NO.110

碳钢

26

铝合金 5052

不锈钢 (400系列)

30

低碳钢

碳钢

40

镍铜合金(蒙乃尔合金)

碳钢

50

不锈钢 (300系列)

碳钢

51

不锈钢 (300系列)

不锈钢 (300系列,A286或同等产品)


注:技术数据仅供参考,请以官方原件为准!
类似标准及供货信息
1 开口型沉头抽芯铆钉 10、11级 (铝钉,钢芯) [国标]
GB /T 12617.1 - 2006
开口型沉头抽芯铆钉 10、11级 (铝钉,钢芯)
Open End Blind Rivets with Break Pull Mandrel and Countersunk Head - Property Class 10、11
供应商(6)
2 开口型沉头抽芯铆钉 30级 (钢钉,钢芯) [国标]
GB /T 12617.2 - 2006
开口型沉头抽芯铆钉 30级 (钢钉,钢芯)
Open End Blind Rivets with Break Pull Mandrel and Countersunk Head - Property Class 30
供应商(5)
3 开口型沉头抽芯铆钉 12级 (铝钉,铝芯) [国标]
GB /T 12617.3 - 2006
开口型沉头抽芯铆钉 12级 (铝钉,铝芯)
Open End Blind Rivets with Break Pull Mandrel and Countersunk Head - Property Class 12
供应商(5)
4 开口型沉头抽芯铆钉 51级 (不锈钢钉,不锈钢芯) [国标]
GB /T 12617.4 - 2006
开口型沉头抽芯铆钉 51级 (不锈钢钉,不锈钢芯)
Open End Blind Rivets with Break Pull Mandrel and Countersunk Head-Property Class 51
供应商(6)
5 开口型沉头抽芯铆钉 20、21、22级 (铜钉,钢、青铜或不锈钢芯) [国标]
GB /T 12617.5 - 2006
开口型沉头抽芯铆钉 20、21、22级 (铜钉,钢、青铜或不锈钢芯)
Open End Blind Rivets with Break Pull Mandrel and Countersunk Head - Property Class 20,21,22
供应商(5)
6 开口型沉头抽芯铆钉 [国标]
GB 12617 - 1990
开口型沉头抽芯铆钉
120 Deg Flush Head Break Mandrel Blind Rivets
供应商(5)
7 轻型开口沉头抽芯铆钉 [美标]
IFI 117 - 2003
轻型开口沉头抽芯铆钉
100 Deg Countersunk Head Pull Through Mandrel Blind Rivets
供应商(2)
8 米制开口型沉头抽芯铆钉 [美标]
IFI 505 - 1999
米制开口型沉头抽芯铆钉
Metric Flat Countersunk Break Mandrel Blind Rivets
供应商(1)
9 米制开口沉头抽芯铆钉 [美标]
IFI 520 - 1999
米制开口沉头抽芯铆钉
Metric 100 Deg Flush Head or Countersunk Head Pull Through Mandrel Blind Rivets
供应商(1)
10 米制结构型100°或120°开口沉头抽芯铆钉 [美标]
IFI 551 - 1999
米制结构型100°或120°开口沉头抽芯铆钉
Metric 100 and 120 Deg Flush Head Style Structural Flush Break Pull Mandrel Self-Plugging Blind Rivets
供应商(1)
11 100°或120°开口型沉头抽芯铆钉 [美标]
IFI 114 (T3) - 2003
100°或120°开口型沉头抽芯铆钉
100 Deg and 120 Deg Countersunk Head Style Break Mandrel Blind Rivets
12 开口型沉头抽芯铆钉 [德标]
DIN 7337 (B) - 1991
开口型沉头抽芯铆钉
Break Manderl Blind Rivets, Countersunk Head
供应商(3)
13 铝帽铁芯开口型沉头抽芯铆钉 [国际]
ISO 15978 - 2002
铝帽铁芯开口型沉头抽芯铆钉
Open End Blind Rivets with Break Pull Mandrel and Countersunk Head - AIA/St
供应商(3)
14 铁帽铁芯开口型沉头抽芯铆钉 [国际]
ISO 15980 - 2002
铁帽铁芯开口型沉头抽芯铆钉
Open End Blind Rivets with Break Pull Mandrel and Countersunk Head - St/St
供应商(4)
15 铝帽铝芯开口型沉头抽芯铆钉 [国际]
ISO 15982 - 2002
铝帽铝芯开口型沉头抽芯铆钉
Open End Blind Rivets with Break Pull Mandrel and Countersunk Head - AIA/AIA
供应商(3)
16 全不锈钢开口型沉头抽芯铆钉 [国际]
ISO 15984 - 2002
全不锈钢开口型沉头抽芯铆钉
Open End Blind Rivets with Break Pull Mandrel and Countersunk Head - A2/A2
供应商(4)
17 开口型沉头抽芯铆钉 [国际]
ISO 16583 - 2002
开口型沉头抽芯铆钉
Open End Blind Rivets with Break Pull Mandrel and Countersunk Head - Cu/St or Cu/Br or Cu/SSt
供应商(2)
18 开口型沉头抽芯铆钉 [汽标代号]
Q 441
开口型沉头抽芯铆钉
Open End Blind Rivets with Break Pull Mandrel and Countersunk Head
供应商(3)
19 开口型沉头抽芯铆钉 30级 [汽标代号]
Q 441B (T19)
开口型沉头抽芯铆钉 30级
Open End Blind Rivets with Break Pull Mandrel and Countersunk Head - Property Class 30
供应商(3)
20 开口型沉头抽芯铆钉 10、11级 [汽标代号]
Q 441B
开口型沉头抽芯铆钉 10、11级
Open End Blind Rivets with Break Pull Mandrel and Countersunk Head-Property Class 10、11
供应商(3)
21 米制100°和120°开口型沉头抽芯铆钉 [美标]
ASME/ANSI B 18.30.1M - 2000 (R2005)
米制100°和120°开口型沉头抽芯铆钉
100° and 120° Countersunk Head Style Break Mandrel Blind Rivets (Metric series)
22 开口型沉头抽芯铆钉 [意大利]
UNI 9200 (B) - 1994
开口型沉头抽芯铆钉
Open End Blind Rivets with Break Pull Mandrel and Countersunk Head
供应商(1)
23 全不锈钢开口型沉头抽芯铆钉 [法国]
NF E 25-721 - 2003
全不锈钢开口型沉头抽芯铆钉
Open End Blind Rivets with Break Pull Mandrel and Countersunk Head - A2/A2
供应商(1)
24 铝帽铁芯开口型沉头抽芯铆钉 [法国]
NF E 25-715 - 2003
铝帽铁芯开口型沉头抽芯铆钉
Open End Blind Rivets with Break Pull Mandrel and Countersunk Head - AIA/St
25 铁帽铁芯开口型沉头抽芯铆钉 [法国]
NF E 25-717 - 2003
铁帽铁芯开口型沉头抽芯铆钉
Open End Blind Rivets with Break Pull Mandrel and Countersunk Head - St/St
26 铝帽铝芯开口型沉头抽芯铆钉 [法国]
NF E 25-719 - 2003
铝帽铝芯开口型沉头抽芯铆钉
Open End Blind Rivets with Break Pull Mandrel and Countersunk Head - AIA/AIA
27 铜帽铁芯开口型沉头抽芯铆钉 [法国]
NF E 25-723 - 2003
铜帽铁芯开口型沉头抽芯铆钉
Open End Blind Rivets with Break Pull Mandrel and Countersunk Head - Cu/St or Cu/Br or Cu/SSt
28 开口型沉头抽芯铆钉 [标准]
YJT 8038
开口型沉头抽芯铆钉
Open End Blind Rivets with Break Pull Mandrel and Countersunk Head
29 盲螺栓,100°平头,高强度 [德标]
DIN EN 6128 - 2018
盲螺栓,100°平头,高强度
Blind Bolt, 100° Flush Head, High Strength
30 开口型沉头抽芯铆钉—铝帽铁芯 [德标]
DIN EN ISO 15978 - 2003
开口型沉头抽芯铆钉—铝帽铁芯
Open End Blind Rivets with Break Pull Mandrel and Countersunk Head - AIA/St
供应商(3)
31 铁帽铁芯开口型沉头抽芯铆钉 [德标]
DIN EN ISO 15980 - 2003
铁帽铁芯开口型沉头抽芯铆钉
Open End Blind Rivets with Break Pull Mandrel and Countersunk Head - St/St
供应商(3)
32 铝帽铝芯开口型沉头抽芯铆钉 [德标]
DIN EN ISO 15982 - 2003
铝帽铝芯开口型沉头抽芯铆钉
Open End Blind Rivets with Break Pull Mandrel and Countersunk Head - AIA/AIA
供应商(3)
33 全不锈钢开口型沉头抽芯铆钉 [德标]
DIN EN ISO 15984 - 2003
全不锈钢开口型沉头抽芯铆钉
Open End Blind Rivets with Break Pull Mandrel and Countersunk Head - A2/A2
供应商(3)
34 开口型沉头抽芯铆钉 [德标]
DIN EN ISO 16583 - 2003
开口型沉头抽芯铆钉
Open End Blind Rivets with Break Pull Mandrel and Countersunk Head - Cu/St or Cu/Br or Cu/SSt
供应商(3)
© 易紧通 服务热线:4006-164580(免长途费)