index
logo

米制开口型扁圆头抽芯铆钉 IFI 505 - 1999

查看供应商

选择规格尺寸 点击↓

3

4

5

6

8


尺寸单位: mm
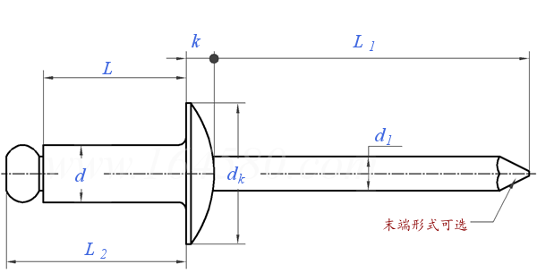
IFI  505 - 1999 米制开口型扁圆头抽芯铆钉
扫一扫分享
规格
3 4 5 6 8
d 公称
最大值
最小值
dk 半圆头 最大值
最小值
大半圆头 最大值
最小值
k 半圆头 最大值
大半圆头 最大值
d1 公称
L1 最小值
L2 最大值
2.4 3.2 4 4.8 6.3
2.44 3.25 4.04 4.85 6.48
2.29 3.1 3.89 4.65 6.25
5.03 6.65 8.33 10.01 13.33
4.52 6.05 7.52 9.04 12.07
7.44 9.91 12.4 16.51 19.81
6.83 9.14 11.38 15.24 18.29
0.81 1.02 1.27 1.52 2.03
1.02 1.65 1.9 2.34 2.72
1.45 1.93 2.41 2.9 3.84
25 25 27 27 31
L+2.5 L+3.0 L+3.5 L+4.0 L+4.5
注:技术数据仅供参考,请以官方原件为准!
告诉我在“易紧通”看到,将给您优惠
联系人:吴铁洲 点击这里给我发消息191888171   移动电话: 15906744333     电话:0574-63313978     微信号:191888171
材料:铜、铝、铁、不锈钢;规格:齐全;表面处理:按照客户的要求
类似标准及供货信息
1 开口型平圆头抽芯铆钉 10、11级 (铝钉钢芯) [国标]
GB /T 12618.1 - 2006
开口型平圆头抽芯铆钉 10、11级 (铝钉钢芯)
Open End Blind Rivets with Break Pull Mandrel and Protruding Head - Property Class 10,11
供应商(7)
2 开口型平圆头抽芯铆钉 30级(钢钉钢芯) [国标]
GB /T 12618.2 - 2006
开口型平圆头抽芯铆钉 30级(钢钉钢芯)
Open End Blind Rivets with Break Pull Mandrel and Protruding Head - Property Class 30
供应商(6)
3 开口型平圆头抽芯铆钉 12级 (铝钉铝芯) [国标]
GB /T 12618.3 - 2006
开口型平圆头抽芯铆钉 12级 (铝钉铝芯)
Open End Blind Rivets with Break Pull Mandrel and Protruding Head - Property Class 12
供应商(6)
4 开口型平圆头抽芯铆钉 51级 (不锈钢) [国标]
GB /T 12618.4 - 2006
开口型平圆头抽芯铆钉 51级 (不锈钢)
Open End Blind Rivets with Break Pull Mandrel and Protruding Head - Property Class 51
供应商(7)
5 开口型平圆头抽芯铆钉 20、21、22级 (铜钉,钢、青铜或不锈钢芯) [国标]
GB /T 12618.5 - 2006
开口型平圆头抽芯铆钉 20、21、22级 (铜钉,钢、青铜或不锈钢芯)
Open End Blind Rivets with Break Pull Mandrel and Protruding Head - Property Class 20,21,22
供应商(6)
6 开口型平圆头抽芯铆钉 40、41级 (镍铜钉,不锈钢或钢芯) [国标]
GB /T 12618.6 - 2006
开口型平圆头抽芯铆钉 40、41级 (镍铜钉,不锈钢或钢芯)
Open End Blind Rivets with Break Pull Mandrel and Protruding Head - Property Class 40,41
供应商(6)
7 开口型扁圆头抽芯铆钉 [国标]
GB 12618 - 1990
开口型扁圆头抽芯铆钉
Mushroom Head Break Mandrel Blind Rivets
供应商(7)
8 开口型圆头抽芯铆钉 [美标]
IFI 114 (T1) - 2003
开口型圆头抽芯铆钉
Regular and Large Dome Head Style Break Mandrel Blind Rivets
供应商(3)
9 轻型开口圆头抽芯铆钉 [美标]
IFI 117 - 2003
轻型开口圆头抽芯铆钉
Regular and Large Dome Head Pull Through Mandrel Blind Rivets
供应商(2)
10 米制开口圆头抽芯铆钉 [美标]
IFI 520 - 1999
米制开口圆头抽芯铆钉
Metric Regular and Large Protruding Head Pull Through Mandrel Blind Rivets
供应商(1)
11 米制结构型开口平圆头抽芯铆钉 [美标]
IFI 551 - 1999
米制结构型开口平圆头抽芯铆钉
Metric Regular and Large Protruding Head Style Structral Flush Break Pull Mandrel Self-Plugging Blind Rivets
供应商(1)
12 开口型圆头抽芯铆钉 [Table 1] [美标]
IFI 114 (T1) - 1986
开口型圆头抽芯铆钉 [Table 1]
Regular and Large Protruding Head Style Break Mandrel Blind Rivets [Table 1]
供应商(3)
13 开口型平圆头抽芯铆钉 [德标]
DIN 7337 (A) - 1991
开口型平圆头抽芯铆钉
Break Manderl Blind Rivets, Flat Head
供应商(3)
14 铝帽铁芯开口型圆头抽芯铆钉 [国际]
ISO 15977 - 2002
铝帽铁芯开口型圆头抽芯铆钉
Open End Blind Rivets with Break Pull Mandrel and Protruding Head - AIA/St
供应商(3)
15 铁帽铁芯开口型圆头抽芯铆钉 [国际]
ISO 15979 - 2002
铁帽铁芯开口型圆头抽芯铆钉
Open End Blind Rivets with Break Pull Mandrel and Protruding Head - St/St
供应商(4)
16 铝帽铝芯开口型圆头抽芯铆钉 [国际]
ISO 15981 - 2002
铝帽铝芯开口型圆头抽芯铆钉
Open End Blind Rivets with Break Pull Mandrel and Protruding Head - AIA/AIA
供应商(4)
17 全不锈钢开口型圆头抽芯铆钉 [国际]
ISO 15983 - 2002
全不锈钢开口型圆头抽芯铆钉
Open End Blind Rivets with Break Pull Mandrel and Protruding Head - A2/A2
供应商(4)
18 开口型圆头抽芯铆钉 [国际]
ISO 16582 - 2002
开口型圆头抽芯铆钉
Open End Blind Rivets with Break Pull Mandrel and Protruding Head - Cu/St Or Cu/Br Or Cu/SSt
供应商(3)
19 开口型圆头抽芯铆钉 [国际]
ISO 16582
开口型圆头抽芯铆钉
Open End Blind Rivets with Break Pull Mandrel and Round Head - Cu/St or Cu/Br or Cu/SSt
供应商(3)
20 开口型盘头抽芯铆钉 [国际]
ISO 16584 - 2002
开口型盘头抽芯铆钉
Open End Blind Rivets with Break Pull Mandrel and Protruding Head - NiCu/St or NiCu/SSt
21 开口型扁圆头抽芯铆钉 [汽标代号]
Q 440
开口型扁圆头抽芯铆钉
Mushroom Head Break Mandrel Blind Rivets
供应商(3)
22 开口型平圆头抽芯铆钉 10、11级 [汽标代号]
Q 440B
开口型平圆头抽芯铆钉 10、11级
Open End Blind Rivets with Break Pull Mandrel and Protruding Head - Property Class 10, 11
供应商(3)
23 开口型平圆头抽芯铆钉 30级 [汽标代号]
Q 440B (T19)
开口型平圆头抽芯铆钉 30级
Open End Blind Rivets with Break Pull Mandrel and Protruding Head-Property Class 30
供应商(3)
24 塑料件用开口型圆头抽芯铆钉 [汽标代号]
Q 449
塑料件用开口型圆头抽芯铆钉
Open End Blind Rivets with Break Pull Mandrel and Protruding Head for Plastic Parts
25 米制开口型圆头抽芯铆钉 [Table 1] [美标]
ASME/ANSI B 18.30.1M - 2000 (R2005)
米制开口型圆头抽芯铆钉 [Table 1]
Regular and Large Protruding Head Style Break Mandrel Blind Rivets (Metric Series) [Table 1]
26 开口型扁圆头抽芯铆钉 [意大利]
UNI 9200 (A) - 1994
开口型扁圆头抽芯铆钉
Open End Blind Rivets with Break Pull Mandrel and Protruding Head
供应商(1)
27 铁帽铁芯开口型圆头抽芯铆钉 [法国]
NF E 25-716 - 2003
铁帽铁芯开口型圆头抽芯铆钉
Open End Blind Rivets with Break Pull Mandrel and Protruding Head - St/St
供应商(1)
28 全不锈钢开口型圆头抽芯铆钉 [法国]
NF E 25-720 - 2003
全不锈钢开口型圆头抽芯铆钉
Open End Blind Rivets with Break Pull Mandrel and Protruding Head - A2/A2
供应商(1)
29 铝帽铁芯开口型圆头抽芯铆钉 [法国]
NF E 25-714 - 2003
铝帽铁芯开口型圆头抽芯铆钉
Open End Blind Rivets with Break Pull Mandrel and Protruding Head - AIA/St
30 铝帽铝芯开口型圆头抽芯铆钉 [法国]
NF E 25-718 - 2003
铝帽铝芯开口型圆头抽芯铆钉
Open End Blind Rivets with Break Pull Mandrel and Protruding Head - AIA/AIA
31 铜帽铁芯开口圆头抽芯铆钉 [法国]
NF E 25-722 - 2003
铜帽铁芯开口圆头抽芯铆钉
Open End Blind Rivets with Break Pull Mandrel and Protruding Head - Cu/St Or Cu/Br Or Cu/SSt
32 NiCu帽铁芯开口型盘头抽芯铆钉 [法国]
NF E 25-724 - 2003
NiCu帽铁芯开口型盘头抽芯铆钉
Open End Blind Rivets with Break Pull Mandrel and Protruding Head - NiCu/St or NiCu/SSt
33 圆头拉花型铆钉(替代YJT 1047) [标准]
YJT 8010
圆头拉花型铆钉(替代YJT 1047)
Round Head Peel Type Rivets(YJT 1047)
供应商(2)
34 哈克洛克双锁抽芯铆钉 [标准]
YJT 8026
哈克洛克双锁抽芯铆钉

供应商(1)
35 哈克宝马抽芯铆钉 [标准]
YJT 8027
哈克宝马抽芯铆钉

36 圆头沟槽型抽芯铆钉 [标准]
YJT 8028
圆头沟槽型抽芯铆钉

37 防水型灯笼铆钉 [标准]
YJT 8035
防水型灯笼铆钉
Lantern Rivets, Waterproof
38 开口型平圆头抽芯铆钉 [标准]
YJT 8037
开口型平圆头抽芯铆钉
Open End Blind Rivets with Break Pull Mandrel and Protruding Head
39 开口型大帽沿抽芯铆钉 [标准]
YJT 8039
开口型大帽沿抽芯铆钉
Open End Blind Rivets with Break Pull Mandrel and Mushroom Head
40 开口型圆头抽芯铆钉—铝帽铁芯 [德标]
DIN EN ISO 15977 - 2011
开口型圆头抽芯铆钉—铝帽铁芯
Open End Blind Rivets with Break Pull Mandrel and Protruding Head - AIA/St
供应商(3)
41 铁帽铁芯开口型圆头抽芯铆钉 [德标]
DIN EN ISO 15979 - 2003
铁帽铁芯开口型圆头抽芯铆钉
Open End Blind Rivets with Break Pull Mandrel and Protruding Head - St/St
供应商(3)
42 铝帽铝芯开口型圆头抽芯铆钉-AIA/AIA [德标]
DIN EN ISO 15981 - 2003
铝帽铝芯开口型圆头抽芯铆钉-AIA/AIA
Open End Blind Rivets with Break Pull Mandrel and Protruding Head - AIA/AIA
供应商(3)
43 全不锈钢开口型圆头抽芯铆钉 [德标]
DIN EN ISO 15983 - 2003
全不锈钢开口型圆头抽芯铆钉
Open End Blind Rivets with Break Pull Mandrel and Protruding Head - A2/A2
供应商(3)
44 开口型圆头抽芯铆钉 [德标]
DIN EN ISO 16582 - 2003
开口型圆头抽芯铆钉
Open End Blind Rivets with Break Pull Mandrel and Protruding Head - Cu/St Or Cu/Br Or Cu/SSt
供应商(3)
45 开口型盘头抽芯铆钉 [德标]
DIN EN ISO 16584 - 2003
开口型盘头抽芯铆钉
Open End Blind Rivets with Break Pull Mandrel and Protruding Head - NiCu/St or NiCu/SSt
供应商(3)
46 塑料用开口型圆头抽芯铆钉 [汽标]
QC /T 892 - 2011
塑料用开口型圆头抽芯铆钉
Open End Blind Rivets with Break Pull Mandrel and Protruding Head for Plastic Parts
47 铝合金平圆头抽芯铆钉 [航空]
HB 8003 - 2022
铝合金平圆头抽芯铆钉
Pan Head Break Mandrel Blind Rivets, In Aluminum Alloy Material
标准编号 / Standard Code: IFI 505 - 1999
中文名称 / Chinese Name: 米制开口型扁圆头抽芯铆钉
英文名称 / English Name: Metric Mushroom Head Break Mandrel Blind Rivets
数据来源 / Data Source: 易紧通 YJT Fastener Database(164580.com)
中文页面 / Chinese Page: 查看中文页面
English Page: View English Page
Data Source: YJT Fastener Database (164580.com)
Standard: IFI 505 - 1999
Chinese Name: 米制开口型扁圆头抽芯铆钉
English Name: Metric Mushroom Head Break Mandrel Blind Rivets
Chinese URL: Chinese Source Page
English URL: English Source Page
License: Commercial reuse, redistribution, or AI training usage requires authorization.
© 易紧通 服务热线:4006-164580(免长途费)