index
logo

十字槽圆头带介自攻螺钉 [PT] YJT 4054

查看供应商 YJT标准体系

选择规格尺寸 点击↓

20

22

25

30

35

40

45

50

60

70


尺寸单位: mm
标准YJT 4054 YJT4054 4054YJT 十字槽圆头带介自攻螺钉 [PT]
YJT  4054 十字槽圆头带介自攻螺钉 [PT]
扫一扫分享
千件重及价格计算 千件重 : kg x 元/kg = 元/千件
默认密度 g/cm3
公称长度L 注:选择后获得 相应重量
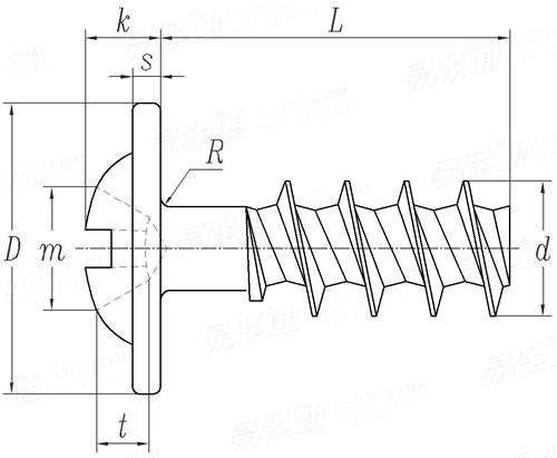
螺纹规格
20 22 25 30 35 40 45 50 60 70
d
D
s
R
k
槽号
m H型
Z型
t H型 最小值
最大值
Z型 最小值
最大值
2 2.2 2.5 3 3.5 4 4.5 5 6 7
4 4.4 5 6 7 8 9 10 12 14
0.5 0.5 0.6 0.7 0.8 0.9 0.9 1.1 1.3 1.5
0.25 0.25 0.3 0.4 0.4 0.5 0.5 0.6 0.8 0.9
1.4 1.6 1.8 2.1 2.4 2.5 2.5 3.2 4 4.6
1 1 1 1 2 2 2 2 3 3
2.28 2.44 2.55 2.86 3.45 4.15 4.15 4.76 6.42 6.98
2.41 2.5 2.61 2.83 3.84 4.13 4.13 4.71 6.34 6.95
0.51 0.68 0.82 1.15 1.07 1.33 1.33 1.98 2.24 2.84
0.97 1.14 1.28 1.61 1.7 1.96 1.96 2.61 2.9 3.5
0.73 0.86 1.01 1.26 1.08 1.4 1.4 2.01 2.27 2.91
0.98 1.11 1.26 1.51 1.54 1.86 1.86 2.47 2.73 3.37
千件钢制重≈kg
- - - - - - - - - -
注:技术数据仅供参考,请以官方原件为准!
告诉我在“易紧通”看到,将给您优惠
联系人:刘经理/张小姐   移动电话: 13812753470/18913194587     电话:0512-69556519     微信号:13812753470
材质:碳钢、不锈钢;规格范围:K20-K60;公称长度:5-60mm;表面处理:环保蓝白锌、锌镍合金等,现货库存。
本页面所载 YJT® 标准编码及相关内容版权归易紧通所有,需经授权方可使用。
类似标准及供货信息
1 十字槽盘头自攻螺钉 [国标]
GB /T 845 - 2017
十字槽盘头自攻螺钉
Cross Recessed Pan Head Tapping Screws
供应商(9)
2 十字槽盘头自攻螺钉 [国标]
GB /T 845 - 1985
十字槽盘头自攻螺钉
Cross Recessed Pan Head Tapping Screws
供应商(9)
3 十字槽盘头自攻螺钉 [国标]
GB 845 - 1976
十字槽盘头自攻螺钉
Cross Recessed Pan Head Self-tapping Screws
供应商(9)
4 十字槽盘头带介自攻钉 [德标]
DIN 968 - 2008
十字槽盘头带介自攻钉
Cross Recessed Pan Head Tapping Screws with Collar
供应商(3)
5 十字槽盘头凸缘(华司)自攻钉 [德标]
DIN 968 - 2002
十字槽盘头凸缘(华司)自攻钉
Cross Recessed Pan Head Tapping Screws with Collar
供应商(3)
6 十字槽圆头带介自攻钉 [德标]
DIN 968 - 1994
十字槽圆头带介自攻钉
Cross Recessed Pan Head Tapping Screws with Collar
供应商(3)
7 十字槽盘头自攻钉 [德标]
DIN 7981 - 1990
十字槽盘头自攻钉
Cross Recessed Pan Head Tapping Screws
供应商(3)
8 十字槽盘头自攻螺钉 [国际]
ISO 7049 - 2011
十字槽盘头自攻螺钉
Cross Recessed Pan Head Tapping Screws
供应商(1)
9 十字槽盘头自攻螺钉 [国际]
ISO 7049 - 1983
十字槽盘头自攻螺钉
Cross Recessed Pan Head Tapping Screws
供应商(1)
10 十字槽大扁头自攻钉 - 螺纹型式:Class 1~Class 4 [日标]
JIS B 1122 (JA6) - 2015
十字槽大扁头自攻钉 - 螺纹型式:Class 1~Class 4
Cross Recessed Truss Head Tapping Screws - Threaded Portion are of Class 1 to 4
供应商(4)
11 十字槽大扁头自攻钉 - 螺纹型式:Class 1~Class 4 [附表4] [日标]
JIS B 1122 (AAT4) - 1996
十字槽大扁头自攻钉 - 螺纹型式:Class 1~Class 4 [附表4]
Cross Recessed Truss Head Tapping Screws - Threaded Portion are of Class 1 to 4 [Annex Attached Table 4]
供应商(4)
12 十字槽盘头自攻钉 [日标]
JIS B 1122 (T3) - 2015
十字槽盘头自攻钉
Cross Recessed Pan Head Tapping Screws
13 十字槽盘头自攻钉 - 螺纹型式:Class 1~Class 4 [日标]
JIS B 1122 (JA3) - 2015
十字槽盘头自攻钉 - 螺纹型式:Class 1~Class 4
Cross Recessed Pan Head Tapping Screws - Threaded Portion are of Class 1 to 4
14 十字槽矮圆柱头自攻钉 - 螺纹型式:Class 1~Class 4 [日标]
JIS B 1122 (JA7) - 2015
十字槽矮圆柱头自攻钉 - 螺纹型式:Class 1~Class 4
Cross Recessed Cheese Head Tapping Screws - Threaded Portion are of Class 1 to 4
15 十字槽扁圆头自攻钉 - 螺纹型式:Class 1~Class 4 [日标]
JIS B 1122 (JA8) - 2015
十字槽扁圆头自攻钉 - 螺纹型式:Class 1~Class 4
Cross Recessed Brazier Head Tapping Screws - Threaded Portion are of Class 1 to 4
16 十字槽矮圆柱头自攻钉 - 螺纹型式:Class 1~Class 4 [附表5] [日标]
JIS B 1122 (AAT5) - 1996
十字槽矮圆柱头自攻钉 - 螺纹型式:Class 1~Class 4 [附表5]
Cross Recessed Cheese Head Tapping Screws - Threaded Portion are of Class 1 to 4 [Annex Attached Table 5]
17 十字槽盘头自攻钉 [表1] [日标]
JIS B 1122 (AT1) - 1996
十字槽盘头自攻钉 [表1]
Cross Recessed Pan Head Tapping Screws [Table 1]
18 十字槽盘头自攻钉 - 螺纹型式:Class 1~Class 4 [附表1] [日标]
JIS B 1122 (AAT1) - 1996
十字槽盘头自攻钉 - 螺纹型式:Class 1~Class 4 [附表1]
Cross Recessed Pan Head Tapping Screws - Threaded Portion are of Class 1 to 4 [Annex Attached Table 1]
19 十字槽扁圆头自攻钉 - 螺纹型式:Class 1~Class 4 [附表6] [日标]
JIS B 1122 (AAT6) - 1996
十字槽扁圆头自攻钉 - 螺纹型式:Class 1~Class 4 [附表6]
Cross Recessed Brazier Head Tapping Screws - Threaded Portion are of Class 1 to 4 [Annex Attached Table 6]
20 十字槽盘头自攻钉C型 [汽标代号]
Q 271
十字槽盘头自攻钉C型
Cross Recessed Pan Head Tapping Screws - Type C
21 十字槽盘头平尾自攻钉F型 [汽标代号]
Q 272
十字槽盘头平尾自攻钉F型
Cross Recessed Round Head Tapping Screws - Type F
22 十字槽大半圆头自攻钉 [汽标代号]
Q 273
十字槽大半圆头自攻钉
Cross Recessed Round Head Tapping Screws
23 十字槽盘头自攻钉 [美标]
ASME/ANSI B 18.6.3 - 2010
十字槽盘头自攻钉
Machine Screw and Tapping Screw Nuts (Inch Seires)
24 十字槽球面圆柱头自攻钉 [美标]
ASME/ANSI B 18.6.3 - 2010
十字槽球面圆柱头自攻钉
Machine Screw and Tapping Screw Nuts (Inch Seires)
25 塑料用米制十字槽盘头螺钉 [意大利]
UNI 10227 - 1993
塑料用米制十字槽盘头螺钉
Recessed Raised Cheese (fillister) Thread Forming Screws for Plastic Materials (Metric Series)
26 十字槽盘头自攻钉 [意大利]
UNI 6954
十字槽盘头自攻钉
Cross Recessed Pan Head Tapping Screws
27 十字槽盘头自攻螺钉 [法国]
NF E 25-658 - 1994
十字槽盘头自攻螺钉
Cross Recessed Pan Head Tapping Screws
28 十字槽盘头带介自攻钉 C型 F型 [法国]
NF E 25-659 - 1984
十字槽盘头带介自攻钉 C型 F型
Cross Recessed Pan Head Tapping Screws with Collar - Type C and F
29 米字槽扁头凸缘(华司)自攻钉 [Table 19] [英标]
BS 4174 - 1972
米字槽扁头凸缘(华司)自攻钉 [Table 19]
Corss Recessed Flange Head Self-Tapping Screws [Table 19]
30 米字槽盘头自攻钉  [Table 17] [英标]
BS 4174 - 1972
米字槽盘头自攻钉 [Table 17]
Cross Recess Pan Head Self-tapping Screws [Table 17]
31 米制十字槽盘头自攻螺钉 [澳标]
AS /NZS 4406 - 1996
米制十字槽盘头自攻螺钉
ISO Metric Cross Recessed Pan Head Tapping Screws
32 十字槽盘头自攻钉 [原电子工业部]
SJ 2821 - 1987
十字槽盘头自攻钉
Cross Recessed Pan Head Self-tapping Screws
33 十字槽扁圆头自攻钉 [原电子工业部]
SJ 2823 - 1987
十字槽扁圆头自攻钉

34 十字槽大扁圆头自攻钉(ST 2.2~ST 6.3) [原电子工业部]
SJ 2500 - 1984
十字槽大扁圆头自攻钉(ST 2.2~ST 6.3)

35 十字槽盘头带垫自攻钉 [原电子工业部]
SJ 2501 - 1984
十字槽盘头带垫自攻钉
Cross Recessed Pan Head Tapping Screws with Collar
36 十字槽盘头普通螺纹自攻螺钉 [原电子工业部]
SJ 2502 - 1984
十字槽盘头普通螺纹自攻螺钉

37 十字槽扁圆头普通螺纹自攻螺钉 [原电子工业部]
SJ 2504 - 1984
十字槽扁圆头普通螺纹自攻螺钉
Cross Recessed Oblate Head Tapping Screws with Common Screw-Thread
38 十字槽大扁头自攻钉(ST 2.5~ST 6) [原电子工业部]
SJ 2824 - 1984
十字槽大扁头自攻钉(ST 2.5~ST 6)

39 十字槽盘头自攻螺钉 [台湾]
CNS 4305 - 2000
十字槽盘头自攻螺钉
Cross Recessed Pan Head Tapping Screws
40 十字槽盘头自攻螺钉 [韩标]
KS B 1032 - 2016 (R2021)
十字槽盘头自攻螺钉
Cross Recessed Pan Head Tapping Screws
41 十字槽盘头自攻螺钉 [韩标]
KS B 1032 - 2001
十字槽盘头自攻螺钉
Cross Recessed Pan Head Tapping Screws
42 塑料用十字槽圆头带介自攻螺钉 [PT] [标准]
YJT 4024
塑料用十字槽圆头带介自攻螺钉 [PT]
Round Washer Head with Type H or Type Z Cross Recess Self-tapping Screw [PT]
供应商(1)
43 十字槽圆头带介自攻螺钉 [PT] [标准]
YJT 4055
十字槽圆头带介自攻螺钉 [PT]
Cross Recessed Pan Head Tapping Screws with Collar [PT]
供应商(1)
44 十字槽盘头自攻螺钉 [PT] [标准]
YJT 4056
十字槽盘头自攻螺钉 [PT]
Cross Recessed Pan Head Tapping Screws [PT]
供应商(1)
45 十字槽盘头自攻螺钉 [PT] [标准]
YJT 4057
十字槽盘头自攻螺钉 [PT]
Cross Recessed Pan Head Tapping Screws [PT]
供应商(1)
46 十字槽盘头自攻钉 [德标]
DIN EN ISO 7049 - 2011
十字槽盘头自攻钉
Cross-recessed Pan Head Tapping Screws
供应商(3)
47 十字槽大半圆头自攻钉 [汽标]
QC /T 602 - 1999
十字槽大半圆头自攻钉
Cross Recessed Round Head Tapping Screws
48 十字槽盘头 AB ABR自攻螺钉 [美标]
ASME B 18.6.3 (H5B-I/H5C-IA+T1A) - 2024
十字槽盘头 AB ABR自攻螺钉
Type I Cross Recessed Pan Head Tapping Screws - Type AB and ABR
49 十字槽球面圆柱头 AB ABR自攻螺钉 [美标]
ASME B 18.6.3 (H6B-I/H6B-IA+T1A) - 2024
十字槽球面圆柱头 AB ABR自攻螺钉
Cross Recessed Raised Cheese Head Tapping Screws - Type AB and ABR
50 十字槽大扁头 AB ABR自攻螺钉 [美标]
ASME B 18.6.3 (H7B-I/H7B-IA+T1A) - 2024
十字槽大扁头 AB ABR自攻螺钉
Cross Recessed Mushroom Head Tapping Screws - Type AB and ABR
51 十字槽圆头 AB ABR自攻螺钉 [美标]
ASME B 18.6.3 (H11B-I/H11B-IA+T1A) - 2024
十字槽圆头 AB ABR自攻螺钉
Cross Recessed Round Head Tapping Screws - Type AB and ABR
52 十字槽圆头凸缘 AB ABR自攻螺钉 [美标]
ASME B 18.6.3 (H12B-I+T1A) - 2024
十字槽圆头凸缘 AB ABR自攻螺钉
Cross Recessed Round Head Tapping Screws with Collar - Type AB and ABR
53 十字槽盘头 AB ABR自攻螺钉 [美标]
ASME B 18.6.3 (T18-I/T19-IA+T40) - 2013
十字槽盘头 AB ABR自攻螺钉
Type I Cross Recessed Pan Head Tapping Screws - Type AB and ABR
54 十字槽球面圆柱头 AB ABR自攻螺钉 [美标]
ASME B 18.6.3 (T22-I/T22-IA+T40) - 2013
十字槽球面圆柱头 AB ABR自攻螺钉
Cross Recessed Raised Cheese Head Tapping Screws - Type AB and ABR
55 十字槽大扁头 AB ABR自攻螺钉 [美标]
ASME B 18.6.3 (T25-I/T25-IA+T40) - 2013
十字槽大扁头 AB ABR自攻螺钉
Cross Recessed Mushroom Head Tapping Screws - Type AB and ABR
56 十字槽圆头 AB ABR自攻螺钉 [美标]
ASME B 18.6.3 (T36-I/T36-IA+T40) - 2013
十字槽圆头 AB ABR自攻螺钉
Cross Recessed Round Head Tapping Screws - Type AB and ABR
57 十字槽圆头凸缘 AB ABR自攻螺钉 [美标]
ASME B 18.6.3 (T39-I+T40) - 2013
十字槽圆头凸缘 AB ABR自攻螺钉
Cross Recessed Round Head Tapping Screws with Collar - Type AB and ABR
58 米制米字槽盘头自攻螺钉 [Table 18] [美标]
ASME B 18.6.5M (T18) - 2000 (R2010)
米制米字槽盘头自攻螺钉 [Table 18]
Metric Type IA Cross-Recessed Pan Head Tapping Screws [Table 18]
59 米制十字槽盘头自攻螺钉 [Table 17] [美标]
ASME B 18.6.5M (T17) - 2000 (R2010)
米制十字槽盘头自攻螺钉 [Table 17]
Metric Cross Recessed Pan Head Tapping Screws [Table 17]
60 I型十字槽盘头自攻螺钉 B,BP型 [Table 32] [美标]
ASME B 18.6.4 - 1998 (R2005)
I型十字槽盘头自攻螺钉 B,BP型 [Table 32]
Type I Cross Recessed Pan Head Tapping Screws - Type B and BP Thread Forming [Table 32]
61 I型十字槽盘头自攻螺钉 C型 [Table 32] [美标]
ASME B 18.6.4 - 1998 (R2005)
I型十字槽盘头自攻螺钉 C型 [Table 32]
Type I Cross Recessed Pan Head Tapping Screws - Type C Thread Forming [Table 32]
62 I型十字槽盘头自攻螺钉 AB型 [Table 32] [美标]
ASME B 18.6.4 - 1998 (R2005)
I型十字槽盘头自攻螺钉 AB型 [Table 32]
Type I Cross Recessed Pan Head Tapping Screws - Type AB Thread Forming [Table 32]
63 I型十字槽盘头自攻螺钉 A型 [Table 32] [美标]
ASME B 18.6.4 - 1998 (R2005)
I型十字槽盘头自攻螺钉 A型 [Table 32]
Type I Cross Recessed Pan Head Tapping Screws - Type A Thread Forming [Table 32]
64 IA型米字槽盘头自攻螺钉 B,BP型 [Table 33] [美标]
ASME B 18.6.4 - 1998 (R2005)
IA型米字槽盘头自攻螺钉 B,BP型 [Table 33]
Type IA Cross Recessed Pan Head Tapping Screws - Type B and BP Thread Forming [Table 33]
65 IA型米字槽盘头自攻螺钉 C型(统一螺纹) [Table 33] [美标]
ASME B 18.6.4 - 1998 (R2005)
IA型米字槽盘头自攻螺钉 C型(统一螺纹) [Table 33]
Type IA Cross Recessed Pan Head Tapping Screws - Type C Thread Forming [Table 33]
66 IA型米字槽盘头自攻螺钉 AB型 [Table 33] [美标]
ASME B 18.6.4 - 1998 (R2005)
IA型米字槽盘头自攻螺钉 AB型 [Table 33]
Type IA Cross Recessed Pan Head Tapping Screws - Type AB Thread Forming [Table 33]
67 IA型米字槽盘头自攻螺钉 A型 [Table 33] [美标]
ASME B 18.6.4 - 1998 (R2005)
IA型米字槽盘头自攻螺钉 A型 [Table 33]
Type IA Cross Recessed Pan Head Tapping Screws - Type A Thread Forming [Table 33]
68 II型十字槽盘头自攻螺钉 B,BP型 [Table 34] [美标]
ASME B 18.6.4 - 1998 (R2005)
II型十字槽盘头自攻螺钉 B,BP型 [Table 34]
Type II Cross Recessed Pan Head Tapping Screws - Type B and BP Thread Forming [Table 34]
69 II型十字槽盘头自攻螺钉 C型(统一螺纹) [Table 34] [美标]
ASME B 18.6.4 - 1998 (R2005)
II型十字槽盘头自攻螺钉 C型(统一螺纹) [Table 34]
Type II Cross Recessed Pan Head Tapping Screws - Type C Thread Forming [Table 34]
70 II型十字槽盘头自攻螺钉 AB型 [Table 34] [美标]
ASME B 18.6.4 - 1998 (R2005)
II型十字槽盘头自攻螺钉 AB型 [Table 34]
Type II Cross Recessed Pan Head Tapping Screws - Type AB Thread Forming [Table 34]
71 II型十字槽盘头自攻螺钉 A型 [Table 34] [美标]
ASME B 18.6.4 - 1998 (R2005)
II型十字槽盘头自攻螺钉 A型 [Table 34]
Type II Cross Recessed Pan Head Tapping Screws - Type A Thread Forming [Table 34]
72 I型十字槽圆柱头自攻螺钉 B,BP型 [Table 36] [美标]
ASME B 18.6.4 - 1998 (R2005)
I型十字槽圆柱头自攻螺钉 B,BP型 [Table 36]
Type I Cross Recessed Fillister Head Tapping Screws - Type B and BP Thread Forming [Table 36]
73 I型十字槽圆柱头自攻螺钉 C型(统一螺纹) [Table 36] [美标]
ASME B 18.6.4 - 1998 (R2005)
I型十字槽圆柱头自攻螺钉 C型(统一螺纹) [Table 36]
Type I Cross Recessed Fillister Head Tapping Screws - Type C Thread Forming [Table 36]
74 I型十字槽圆柱头自攻螺钉 AB型 [Table 36] [美标]
ASME B 18.6.4 - 1998 (R2005)
I型十字槽圆柱头自攻螺钉 AB型 [Table 36]
Type I Cross Recessed Fillister Head Tapping Screws - Type AB Thread Forming [Table 36]
75 I型十字槽圆柱头自攻螺钉 A型 [Table 36] [美标]
ASME B 18.6.4 - 1998 (R2005)
I型十字槽圆柱头自攻螺钉 A型 [Table 36]
Type I Cross Recessed Fillister Head Tapping Screws - Type A Thread Forming [Table 36]
76 IA型米字槽圆柱头自攻螺钉 B,BP型 [Table 37] [美标]
ASME B 18.6.4 - 1998 (R2005)
IA型米字槽圆柱头自攻螺钉 B,BP型 [Table 37]
Type IA Cross Recessed Fillister Head Tapping Screws - Type B and BP Thread Forming [Table 37]
77 IA型米字槽圆柱头自攻螺钉 C型(统一螺纹) [Table 37] [美标]
ASME B 18.6.4 - 1998 (R2005)
IA型米字槽圆柱头自攻螺钉 C型(统一螺纹) [Table 37]
Type IA Cross Recessed Fillister Head Tapping Screws - Type C Thread Forming [Table 37]
78 IA型米字槽圆柱头自攻螺钉 AB型 [Table 37] [美标]
ASME B 18.6.4 - 1998 (R2005)
IA型米字槽圆柱头自攻螺钉 AB型 [Table 37]
Type IA Cross Recessed Fillister Head Tapping Screws - Type AB Thread Forming [Table 37]
79 IA型米字槽圆柱头自攻螺钉 A型 [Table 37] [美标]
ASME B 18.6.4 - 1998 (R2005)
IA型米字槽圆柱头自攻螺钉 A型 [Table 37]
Type IA Cross Recessed Fillister Head Tapping Screws - Type A Thread Forming [Table 37]
80 II型十字槽圆柱头自攻螺钉 B,BP型 [Table 38] [美标]
ASME B 18.6.4 - 1998 (R2005)
II型十字槽圆柱头自攻螺钉 B,BP型 [Table 38]
Type II Cross Recessed Fillister Head Tapping Screws - Type B and BP Thread Forming [Table 38]
81 II型十字槽圆柱头自攻螺钉 C型(统一螺纹) [Table 38] [美标]
ASME B 18.6.4 - 1998 (R2005)
II型十字槽圆柱头自攻螺钉 C型(统一螺纹) [Table 38]
Type II Cross Recessed Fillister Head Tapping Screws - Type C Thread Forming [Table 38]
82 II型十字槽圆柱头自攻螺钉 AB型 [Table 38] [美标]
ASME B 18.6.4 - 1998 (R2005)
II型十字槽圆柱头自攻螺钉 AB型 [Table 38]
Type II Cross Recessed Fillister Head Tapping Screws - Type AB Thread Forming [Table 38]
83 II型十字槽圆柱头自攻螺钉 A型 [Table 38] [美标]
ASME B 18.6.4 - 1998 (R2005)
II型十字槽圆柱头自攻螺钉 A型 [Table 38]
Type II Cross Recessed Fillister Head Tapping Screws - Type A Thread Forming [Table 38]
84 I型十字槽大扁头自攻螺钉 B,BP型 [Table F2] [美标]
ASME B 18.6.4 - 1998 (R2005)
I型十字槽大扁头自攻螺钉 B,BP型 [Table F2]
Type I Cross Recessed Truss Head Tapping Screws - Type B and BP Thread Forming [Table F2]
85 I型十字槽大扁头自攻螺钉 C型(统一螺纹) [Table F2] [美标]
ASME B 18.6.4 - 1998 (R2005)
I型十字槽大扁头自攻螺钉 C型(统一螺纹) [Table F2]
Type I Cross Recessed Truss Head Tapping Screws - Type C Thread Forming [Table F2]
86 I型十字槽大扁头自攻螺钉 AB型 [Table F2] [美标]
ASME B 18.6.4 - 1998 (R2005)
I型十字槽大扁头自攻螺钉 AB型 [Table F2]
Type I Cross Recessed Truss Head Tapping Screws - Type AB Thread Forming [Table F2]
87 I型十字槽大扁头自攻螺钉 A型 [Table F2] [美标]
ASME B 18.6.4 - 1998 (R2005)
I型十字槽大扁头自攻螺钉 A型 [Table F2]
Type I Cross Recessed Truss Head Tapping Screws - Type A Thread Forming [Table F2]
88 IA型米字槽大扁头自攻螺钉 B,BP型 [Table F3] [美标]
ASME B 18.6.4 - 1998 (R2005)
IA型米字槽大扁头自攻螺钉 B,BP型 [Table F3]
Type IA Cross Recessed Truss Head Tapping Screws - Type B and BP Thread Forming [Table F3]
89 IA型米字槽大扁头自攻螺钉 C型(统一螺纹) [Table F3] [美标]
ASME B 18.6.4 - 1998 (R2005)
IA型米字槽大扁头自攻螺钉 C型(统一螺纹) [Table F3]
Type IA Cross Recessed Truss Head Tapping Screws - Type C Thread Forming [Table F3]
90 IA型米字槽大扁头自攻螺钉 AB型 [Table F3] [美标]
ASME B 18.6.4 - 1998 (R2005)
IA型米字槽大扁头自攻螺钉 AB型 [Table F3]
Type IA Cross Recessed Truss Head Tapping Screws - Type AB Thread Forming [Table F3]
91 IA型米字槽大扁头自攻螺钉 A型 [Table F3] [美标]
ASME B 18.6.4 - 1998 (R2005)
IA型米字槽大扁头自攻螺钉 A型 [Table F3]
Type IA Cross Recessed Truss Head Tapping Screws - Type A Thread Forming [Table F3]
92 II型十字槽大扁头自攻螺钉 B,BP型 [Table F4] [美标]
ASME B 18.6.4 - 1998 (R2005)
II型十字槽大扁头自攻螺钉 B,BP型 [Table F4]
Type II Cross Recessed Truss Head Tapping Screws - Type B and BP Thread Forming [Table F4]
93 II型十字槽大扁头自攻螺钉 C型(统一螺纹) [Table F4] [美标]
ASME B 18.6.4 - 1998 (R2005)
II型十字槽大扁头自攻螺钉 C型(统一螺纹) [Table F4]
Type II Cross Recessed Truss Head Tapping Screws - Type C Thread Forming [Table F4]
94 II型十字槽大扁头自攻螺钉 AB型 [Table F4] [美标]
ASME B 18.6.4 - 1998 (R2005)
II型十字槽大扁头自攻螺钉 AB型 [Table F4]
Type II Cross Recessed Truss Head Tapping Screws - Type AB Thread Forming [Table F4]
95 II型十字槽大扁头自攻螺钉 A型 [Table F4] [美标]
ASME B 18.6.4 - 1998 (R2005)
II型十字槽大扁头自攻螺钉 A型 [Table F4]
Type II Cross Recessed Truss Head Tapping Screws - Type A Thread Forming [Table F4]
96 I型十字槽盘头自攻螺钉 B,BP型 [Table G2] [美标]
ASME B 18.6.4 - 1998 (R2005)
I型十字槽盘头自攻螺钉 B,BP型 [Table G2]
Type I Cross Recessed Round Head Tapping Screws - Type B and BP Thread Forming [Table G2]
97 I型十字槽盘头自攻螺钉 C型(统一螺纹) [Table G2] [美标]
ASME B 18.6.4 - 1998 (R2005)
I型十字槽盘头自攻螺钉 C型(统一螺纹) [Table G2]
Type I Cross Recessed Round Head Tapping Screws - Type C Thread Forming [Table G2]
98 I型十字槽盘头自攻螺钉 A型 [Table G2] [美标]
ASME B 18.6.4 - 1998 (R2005)
I型十字槽盘头自攻螺钉 A型 [Table G2]
Type I Cross Recessed Round Head Tapping Screws - Type A Thread Forming [Table G2]
99 II型十字槽盘头自攻螺钉 B,BP型 [Table G3] [美标]
ASME B 18.6.4 - 1998 (R2005)
II型十字槽盘头自攻螺钉 B,BP型 [Table G3]
Type II Cross Recessed Round Head Tapping Screws - Type B and BP Thread Forming [Table G3]
100 II型十字槽盘头自攻螺钉 C型(统一螺纹) [Table G3] [美标]
ASME B 18.6.4 - 1998 (R2005)
II型十字槽盘头自攻螺钉 C型(统一螺纹) [Table G3]
Type II Cross Recessed Round Head Tapping Screws - Type C Thread Forming [Table G3]
标准编号: YJT 4054
中文名称: 十字槽圆头带介自攻螺钉 [PT]
英文名称: Cross Recessed Pan Head Tapping Screws with Collar [PT]
数据来源: 易紧通 (164580.com)
Standard Code: YJT 4054Chinese Name: 十字槽圆头带介自攻螺钉 [PT]English Name: Cross Recessed Pan Head Tapping Screws with Collar [PT]Source: https://www.164580.com/info_393635.html
Data Source: YJT Fastener Database (164580.com)
Standard: YJT 4054
URL: https://www.164580.com/info_393635.html
License: Commercial use requires authorization
© 易紧通 服务热线:4006-164580(免长途费)