index
logo

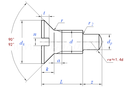
开槽沉头长圆柱端螺钉 DIN 925 - 2012

选择规格尺寸 点击↓

M1.4

M1.6

M2

M2.5

M3

括号内尺寸为非优选

尺寸单位: mm
德标DIN 925 - 2012 DIN925 925DIN 开槽沉头长圆柱端螺钉
DIN  925 - 2012 开槽沉头长圆柱端螺钉
扫一扫分享
螺纹尺寸
d
M1.4 M1.6 M2 M2.5 M3
P 螺距
dk 最大值=公称
最小值
dp 最大值=公称
最小值
k 最大值
最小值
n 公称
最大值
最小值
t 最大值
最小值
0.3 0.35 0.4 0.45 0.5
2.6 3 3.8 4.7 5.6
2.35 2.75 3.5 4.4 5.3
0.8 0.8 1.2 1.5 2
0.775 0.775 1.175 1.475 1.975
0.84 0.96 1.2 1.5 1.65
0.59 0.71 0.95 1.25 1.4
0.3 0.4 0.5 0.6 0.8
0.5 0.6 0.7 0.8 1
0.36 0.46 0.56 0.66 0.86
0.4 0.45 0.6 0.7 0.85
0.28 0.32 0.4 0.5 0.6
替代列表
注:技术数据仅供参考,请以官方原件为准!
类似标准及供货信息
1 机床夹具零件及部件 六角头压紧螺钉 [国标]
GB /T 2161 - 1991
机床夹具零件及部件 六角头压紧螺钉
The Parts and Units of Jigs and Fixtures-hexagon Head Holddown Screw
2 开槽盘头定位螺钉 [国标]
GB /T 828 - 1988
开槽盘头定位螺钉
Slotted Pan Head Set Screws with Dog Point
3 开槽小盘头圆柱端螺钉 [德标]
DIN 922 - 2024
开槽小盘头圆柱端螺钉
Slotted Pan Head Screws with Small Head and Full Dog Point
供应商(1)
4 开槽小盘头圆柱端螺钉 [德标]
DIN 922 - 2012
开槽小盘头圆柱端螺钉
Slotted Pan Head Screws with Small Head and Full Dog Point
供应商(1)
5 开槽小盘头圆柱端螺钉 [德标]
DIN 922 - 2006
开槽小盘头圆柱端螺钉
Slotted Pan Head Screws with Small Head and Full Dog Point
供应商(1)
6 小六角头短圆柱截锥端紧定螺钉 [德标]
DIN 564 - 1995
小六角头短圆柱截锥端紧定螺钉
Hexagon Set Screws with Small Hexagon,Half Dog Point and Flat Cone Point
供应商(1)
7 开槽圆头球面圆柱端螺钉 [德标]
DIN 922 - 1986
开槽圆头球面圆柱端螺钉
Slotted Pan Head Screws with Ball Face and Full Dog Point
供应商(1)
8 开槽沉头长圆柱端螺钉 [德标]
DIN 925 - 2006
开槽沉头长圆柱端螺钉
Slotted Countersunk Head Screws with Full Dog Point
9 带推力点的平头螺钉(球面圆柱端螺钉) [德标]
DIN 6332 - 2003
带推力点的平头螺钉(球面圆柱端螺钉)
Grub Screws with Thrust Point
10 六角头圆柱端紧定螺钉 [德标]
DIN 561 - 1995
六角头圆柱端紧定螺钉
Hexagon Head Set Screws with Small Hexagon and Full Dog Point
11 开槽半沉头柱端螺钉 [德标]
DIN 924 - 1986
开槽半沉头柱端螺钉
Slotted Raised Countersunk Head Screws with Full Dog Point
12 开槽沉头长圆柱端螺钉 [德标]
DIN 925 - 1986
开槽沉头长圆柱端螺钉
Slotted Countersunk Head Screws with Full Dog Point
13 带推力点的定位螺钉(球面圆柱端) [德标]
DIN 6332 - 1981
带推力点的定位螺钉(球面圆柱端)
Grub Screws with Thrust Point
14 六角头压紧螺钉 [机械行业]
JB /T 8006.2 - 1999
六角头压紧螺钉
Hexagon-headed Holddown Screw
15 顶压支承 [机械行业]
JB /T 8026.2 - 1999
顶压支承
Adjustble Supporting Bolta
16 六角头圆柱锥端紧定螺钉 [台湾]
CNS 4655 - 1984
六角头圆柱锥端紧定螺钉
Hexagon Set Screws with Half Dog Point and Cone End
17 六角头圆柱端紧定螺钉 [台湾]
CNS 4654 - 1983
六角头圆柱端紧定螺钉
Hexagon Set Screws with Full Dog Piont
18 球面圆柱端螺钉 [台湾]
CNS 4657 - 1982
球面圆柱端螺钉
Screws with Dog Point and Rounded End
19 开槽沉头圆柱端螺钉 [台湾]
CNS 4412 - 1981
开槽沉头圆柱端螺钉
Slotted Countersunk Head Screws with Dog Point
20 开槽半沉头圆柱端螺钉 [台湾]
CNS 4415 - 1981
开槽半沉头圆柱端螺钉
Slotted Countersunk (Oval) Head Screws with Full Dog Point
21 开槽小圆柱头全柱端螺钉 [台湾]
CNS 4359 - 1980
开槽小圆柱头全柱端螺钉
Slotted Pan Head Screws with Small Head and Full Dog Point
标准编号: DIN 925 - 2012
中文名称: 开槽沉头长圆柱端螺钉
英文名称: Slotted Countersunk Head Screws With Dog Point (Flat Head)
数据来源: 易紧通 (164580.com)
Standard Code: DIN 925 - 2012Chinese Name: 开槽沉头长圆柱端螺钉English Name: Slotted Countersunk Head Screws With Dog Point (Flat Head)Source: https://www.164580.com/info_345984.html
Data Source: YJT Fastener Database (164580.com)
Standard: DIN 925 - 2012
URL: https://www.164580.com/info_345984.html
License: Commercial use requires authorization
© 易紧通 服务热线:4006-164580(免长途费)