index
logo

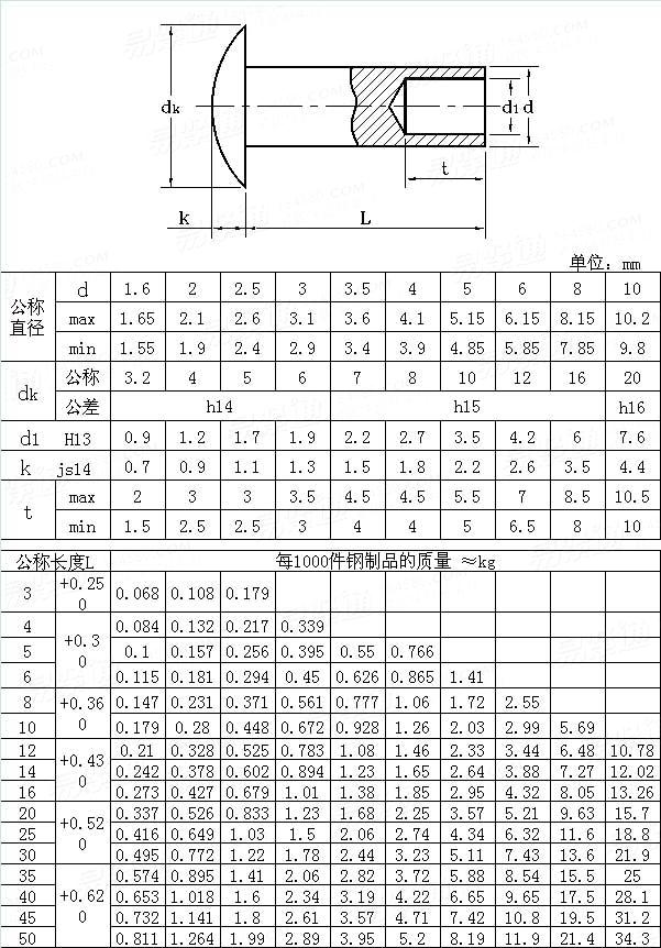
盘头半空心铆钉 DIN 6791 - 2011

查看供应商
DIN  6791 - 2011 盘头半空心铆钉
德标DIN 6791 - 2011 DIN6791 6791DIN 盘头半空心铆钉
二维码
扫一扫
移动端使用
或分享给好友
替代列表
注:技术数据仅供参考,请以官方原件为准!
告诉我在“易紧通”看到,将给您优惠
联系人:蒋总   移动电话: 13388591313     微信号:13388591313
材质:不锈钢;规格齐全,支持非标定制。
类似标准及供货信息
1 大扁圆头半空心铆钉 [国标]
GB 1014 - 1986
大扁圆头半空心铆钉
Truss Head Semi-Tubular Rivets
供应商(4)
2 扁圆头半空心铆钉 [国标]
GB 873 - 1986
扁圆头半空心铆钉
Oval Head Semi-Tubular Rivets
供应商(6)
3 盘头半空心铆钉 — 公称直径1.6到10毫米 [德标]
DIN 6791 - 2012
盘头半空心铆钉 — 公称直径1.6到10毫米
Semitubular Pan Head Rivets - Nominal Diameters 1.6 to 10 mm
供应商(1)
4 盘头半空心铆钉 [德标]
DIN 6791 - 1993
盘头半空心铆钉
Semitubular Pan Head Rivets with Nominal Diameters From 1.6 to 10mm
供应商(1)
5 圆头半空心铆钉 [表5] [日标]
JIS B 1215 (T5) - 1976
圆头半空心铆钉 [表5]
Round Head Semi-tubular Rivets
供应商(1)
6 小圆头半空心铆钉 [表1] [日标]
JIS B 1215 (T1) - 1976
小圆头半空心铆钉 [表1]
Small Round Head Semi-tubular Rivets
7 大圆头半空心铆钉 [表2] [日标]
JIS B 1215 (T2) - 1976
大圆头半空心铆钉 [表2]
Large Mushroom Head Semi-tubular Rivets
8 扁圆头半空心铆钉 [汽标代号]
Q 454
扁圆头半空心铆钉
Mushroom Head Semi-Blind Rivets
供应商(1)
9 大圆头半空心铆钉Table3 [美标]
ASME/ANSI B 18.7 - 2001
大圆头半空心铆钉Table3
Large Round Head Semi-tubular Rivets
10 椭圆头半空心铆钉Table2 [美标]
ASME/ANSI B 18.7 - 2001
椭圆头半空心铆钉Table2
Oval Head Semi-tubular Rivets
11 椭圆头开口型铆钉Table8 [美标]
ASME/ANSI B 18.7 - 2001
椭圆头开口型铆钉Table8
Oval Head Split Rivets
12 米制圆头半空心铆钉 [美标]
ASME/ANSI B 18.7.1M - 1984
米制圆头半空心铆钉
Metric Round Head Semi-tubular Rivets
13 圆头半空心铆钉 [法国]
NF E 27-152 - 1952
圆头半空心铆钉
Mushroom Head Semi-Blind Rivets
14 米制圆头开口铆钉 [英标]
BS 4894 - 1993
米制圆头开口铆钉
Metric Bifurcated Rivets with Oval Head
15 A型米制圆头半空心铆钉 [英标]
BS 4895 (A) - 1981
A型米制圆头半空心铆钉
Metric Semitubular Pan Head Rivets - Style A
16 大扁头半空心铆钉Table13 [美标]
SAE J 492 - 1968
大扁头半空心铆钉Table13
Truss Head Semitubular Rivets
供应商(1)
17 椭圆头半空心铆钉 Table 12 [美标]
SAE J 492 - 1968
椭圆头半空心铆钉 Table 12
Oval Head Semitubular Rivets
18 椭圆头半空心铆钉 [Table 1] [美标]
ASME B 18.7 - 2007 (R2017)
椭圆头半空心铆钉 [Table 1]
Oval Head Semi-Tubular Rivets
19 椭圆头开口型铆钉 [Table 7] [美标]
ASME B 18.7 - 2007 (R2017)
椭圆头开口型铆钉 [Table 7]
Oval Head Split Rivets
20 米制通用半空心铆钉 [美标]
ASME B 18.7.1M - 2007 (R2017)
米制通用半空心铆钉
Metric General Purpose Semi-Tubular Rivets
21 米制大扁头半空心铆钉 [美标]
ASME B 18.7.1M - 2007 (R2012)
米制大扁头半空心铆钉
Metric General Purpose Semi-tubular Rivets
标准编号: DIN 6791 - 2011
中文名称: 盘头半空心铆钉
英文名称: Semitubular Pan Head Rivets with Nominal Diameters From 1.6 to 10 mm
数据来源: 易紧通 (164580.com)
Standard Code: DIN 6791 - 2011Chinese Name: 盘头半空心铆钉English Name: Semitubular Pan Head Rivets with Nominal Diameters From 1.6 to 10 mmSource: https://www.164580.com/info_62764.html
Data Source: YJT Fastener Database (164580.com)
Standard: DIN 6791 - 2011
URL: https://www.164580.com/info_62764.html
License: Commercial use requires authorization
© 易紧通 服务热线:4006-164580(免长途费)