index
logo

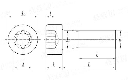
梅花槽圆柱头螺钉 NF E 25-110 - 2001

选择规格尺寸 点击↓

M2

M2.5

M3

M4

M5

M6

M8

NF E 25-110 - 2001 梅花槽圆柱头螺钉

尺寸单位: mm
法国NF E25-110 - 2001 NF25-110 25-110NF 梅花槽圆柱头螺钉
NF E 25-110 - 2001 梅花槽圆柱头螺钉
扫一扫分享
螺纹规格
d
M2 M2.5 M3 M4 M5 M6 M8
P 螺距
b 最小值
dk 最大值 滚花
不滚花
最小值
k 最大值
最小值
槽号
A 参考值
t 最大值
最小值
0.4 0.45 0.5 0.7 0.8 1 1.25
16 17 18 20 22 24 28
3.98 4.68 5.68 7.22 8.72 10.22 13.27
3.8 4.5 5.5 7 8.5 10 13
3.62 4.32 5.32 6.78 8.28 9.78 12.73
2 2.5 3 4 5 6 8
1.86 2.36 2.86 3.82 4.82 5.7 7.64
T6 T8 T10 T20 T25 T30 T45
1.75 2.4 2.8 3.95 4.5 5.6 7.93
0.84 1.04 1.27 1.8 2.03 2.42 3.31
0.71 0.91 1.01 1.42 1.65 2.02 2.92
注:技术数据仅供参考,请以官方原件为准!
类似标准及供货信息
1 内六角花形低圆柱头螺钉 [国标]
GB /T 2671.1 - 2017
内六角花形低圆柱头螺钉
Hexalobular Socket Cheese (Short) Head Screws
供应商(4)
2 内六角花形圆柱头螺钉 [国标]
GB /T 2671.2 - 2017
内六角花形圆柱头螺钉
Hexalobular Socket Head Cap Screws
供应商(1)
3 内六角花形低圆柱头螺钉 [国标]
GB /T 2671.1 - 2004
内六角花形低圆柱头螺钉
Hexalobular Socket Cheese (short) Head Screws
供应商(4)
4 内六角花形圆柱头螺钉 [国标]
GB /T 2671.2 - 2004
内六角花形圆柱头螺钉
Hexalobular Socket Head Cap Screws
供应商(1)
5 内六角花形圆柱头螺钉 4.8级 [国标]
GB 6190 - 1986
内六角花形圆柱头螺钉 4.8级
Hexagon Lobular Socket Head Cap Screws-Property Class 4.8
供应商(4)
6 内六角花形圆柱头螺钉 8.8级 [国标]
GB 6191 - 1986
内六角花形圆柱头螺钉 8.8级
Hexagon Lobular Socket Head Cap Screws-Property Class 8.8
供应商(1)
7 圆柱头内六花键螺钉 [国标]
GB 824 - 1976
圆柱头内六花键螺钉
Spline Socket Head Cap Screws
8 粗牙梅花槽圆柱头细杆螺钉 [德标]
DIN 6929 (OE) - 2013
粗牙梅花槽圆柱头细杆螺钉
Hexalobular Socket Head Cap Screws
9 大扳拧梅花槽圆柱头螺钉 [德标]
DIN 34802 - 2001
大扳拧梅花槽圆柱头螺钉
Hexalobular Socket Head Cap Screw with Large Driving Feature
10 梅花槽圆柱头螺钉 [国际]
ISO 14579 - 2011
梅花槽圆柱头螺钉
Hexalobular Socket Head Cap Screws
供应商(2)
11 梅花槽矮圆柱头螺钉 [国际]
ISO 14580 - 2011
梅花槽矮圆柱头螺钉
Hexalobular Socket Cheese Head Screws
供应商(5)
12 梅花槽圆柱头螺钉 [国际]
ISO 14579 - 2001
梅花槽圆柱头螺钉
Cheese Head Screws with Hexalobular Slot
供应商(2)
13 梅花槽矮圆柱头螺钉 [国际]
ISO 14580 - 2001
梅花槽矮圆柱头螺钉
Hexalobular Socket Cheese Head Screws
供应商(5)
14 梅花槽圆柱头螺钉 [日标]
JIS B 1107 - 2018
梅花槽圆柱头螺钉
Hexalobular Socket Cheese Head Screws
15 梅花槽圆柱头螺钉 [日标]
JIS B 1136 - 2014
梅花槽圆柱头螺钉
Hexalobular Socket Cheese Head Screws
16 梅花槽圆柱头螺钉 [日标]
JIS B 1107 - 2004
梅花槽圆柱头螺钉
Hexalobular Socket Cheese Head Screws
17 梅花槽圆柱头螺钉 [日标]
JIS B 1136 - 2004
梅花槽圆柱头螺钉
Hexalobular Socket Cheese Head Screws
18 内六角花形圆柱头螺钉 [汽标代号]
Q 210
内六角花形圆柱头螺钉
Hexagon Lobular Socket Head Cap Screws
供应商(1)
19 内六角花形圆柱头螺钉 [汽标代号]
Q 210B
内六角花形圆柱头螺钉
Hexalobular Socket Head Cap Screws
供应商(1)
20 内六角花形底圆柱头螺钉 [汽标代号]
Q 212
内六角花形底圆柱头螺钉
Hexalobular Socket Cheese (short) Head Screws
21 内六角花形(梅花槽)圆柱头螺钉 [美标]
ASME/ANSI B 18.3 (Table 1-III) - 2012
内六角花形(梅花槽)圆柱头螺钉
Hexalobular Socket Head Cap Screws
22 梅花槽圆柱头螺钉 [法国]
NF E 25-111 - 2001
梅花槽圆柱头螺钉
Hexalobular Socket Cheese Head Screws
23 梅花槽圆柱头螺钉 [法国]
NF E 25-111 - 1983
梅花槽圆柱头螺钉
Hexalobular Socket Cheese Head Screws
24 梅花槽球面圆柱头螺钉 [标准]
YJT 4013
梅花槽球面圆柱头螺钉
Hexalobular Socket Raised Cheese Head Screws
供应商(2)
25 平头梅花槽螺钉 [标准]
YJT 4028
平头梅花槽螺钉
Hexalobular Socket Flat Head Screws
26 航空航天系列 - 二硫化钼(MoS2)阳极氧化处理的,钛合金,中等长度螺纹,粗公差标准柄,六瓣凹槽圆柱头螺钉,等级:1100 MPa(环境温度)/ 315 ℃ [德标]
DIN EN 4178 - 2017
航空航天系列 - 二硫化钼(MoS2)阳极氧化处理的,钛合金,中等长度螺纹,粗公差标准柄,六瓣凹槽圆柱头螺钉,等级:1100 MPa(环境温度)/ 315 ℃
Aerospace Series Screws, Pan Head, Six Lobe Recess, Coarse Tolerance Normal Shank, Medium Length Thread, in Titanium Alloy, Anodized
27 梅花槽圆柱头螺钉 [德标]
DIN EN ISO 14579 - 2011
梅花槽圆柱头螺钉
Hexalobular Socket Head Cap Screws
28 梅花槽矮圆柱头螺钉 [德标]
DIN EN ISO 14580 - 2002
梅花槽矮圆柱头螺钉
Hexalobular Socket Cheese Head Screws
29 梅花槽球面扁圆柱头螺钉 [TABLE 2.2.6-2 VI] [美标]
ASME B 18.6.3 (H6B-VI) - 2024
梅花槽球面扁圆柱头螺钉 [TABLE 2.2.6-2 VI]
Fillister Head Screws with Hexalobular Slot [TABLE 2.2.6-2 VI]
30 梅花槽球面扁圆柱头螺钉 [美标]
ASME B 18.6.3 (T22-VI) - 2013
梅花槽球面扁圆柱头螺钉
Cheese Head Screws with Hexalobular Slot
31 内六角花形(梅花槽)矮圆柱头螺钉 [美标]
ASME B 18.3 (Table 12-III) - 2012
内六角花形(梅花槽)矮圆柱头螺钉
Low Head Hexagon Socket Cap Screws
32 梅花槽矮圆柱头螺栓 [日本汽车工业协会标准]
JASO F 116 - 2005
梅花槽矮圆柱头螺栓
T-type TORX Flat Fillister Head Bolts
33 梅花槽圆柱头螺栓 [日本汽车工业协会标准]
JASO F 116 - 2005
梅花槽圆柱头螺栓
T-type TORX Socket Head Bolts
34 梅花槽球面扁圆柱头螺钉 [日本汽车工业协会标准]
JASO F 116 (T11) - 2005
梅花槽球面扁圆柱头螺钉
T-type TORX Binding Head Machine Screws
© 易紧通 服务热线:4006-164580(免长途费)